Control Valve Solenoid Replacement (Solenoid A, B)
Control Valve Solenoid Replacement (Solenoid A, B)Removal Procedure

1. Remove the oil pan and suction filter.
2. Disconnect the internal wiring harness from the Solenoid being changed.
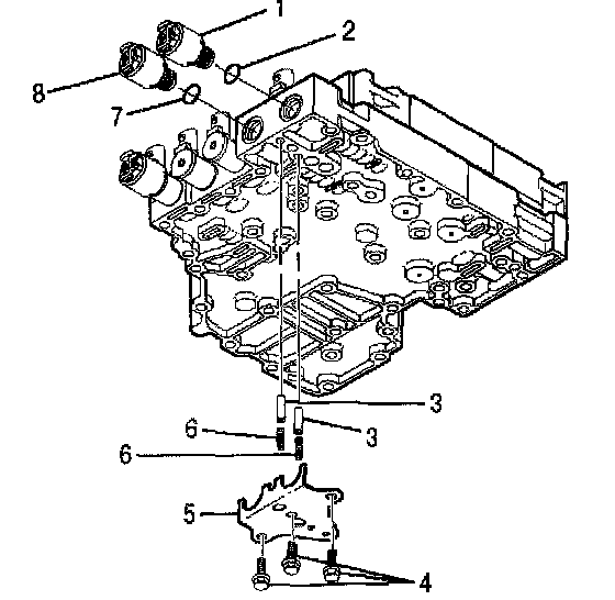
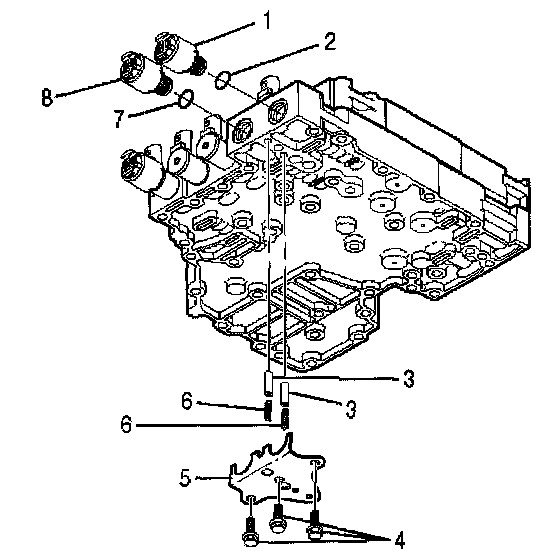
3. Remove the two bolts (2) that fasten reverse signal tube (1) to the control valve assembly. Remove the reverse signal tube.

Important:
^ When the A/B solenoid bracket (5) is removed, there are two sets of accumulators (3) and springs (6) which may fall from their bores. Be sure to catch them so they are not damaged.
^ The A/B solenoid bracket (5) must not be modified. Note that the angle between the two bracket surfaces is less than 90 degrees. Replace the bracket if the angle is 90 degrees or more.
4. To remove A solenoid (1) or B solenoid (8), remove three bolts (4) and the A/B solenoid bracket (5). Remove accumulators (3) and springs (6) if they do not fall out when bracket (5) is removed.
5. Note the position of the solenoid connector and pull the solenoid (1) or (8) out of the bore in the control valve assembly. The O-ring on the solenoid provides the resistance felt during removal.
Installation Procedure

1. Obtain the new solenoid (1) or (8). Lubricate new O-ring (2) or (7) with clean transmission fluid. Install the O-ring and push the new solenoid into the control valve body bore with the wiring harness connector in the correct position.
2. Reinstall the two accumulators (3) and springs (6) before installing the A/B solenoid bracket (5). The valve (3) goes in the bore first with the hollow end facing outward, followed by the spring (6) which goes inside the hollow portion of the valve.
Notice: Refer to Fastener Notice in Service Precautions.
3. Reinstall the solenoid-retaining bracket (5). Install three bolts (4).
^ Tighten the bolts to 12 Nm (108 inch lbs.).

4. Install the reverse signal tube. Install the two bolts (2) that fasten reverse signal tube (1) to the control valve assembly.
^ Tighten the bolts to 12 Nm (108 inch lbs.).
5. Reconnect the internal wiring harness to the solenoid.
6. Install the oil pan and suction filter.