4L60-E - Automatic Transmission
Shift Cable ReplacementImportant:
^ The shift cable is a two piece shift cable.
^ The front half (column end) or rear half (transmission end) of the shift cable can be removed without removing the other end/half of the shift cable.
^ Perform the part of this procedure that applies to the removal of that half of the shift cable.
Removal Procedure

1. Position the steering column shift lever to the park position.
2. Raise the vehicle. Refer to Vehicle Lifting.
3. Ensure the transmission manual shaft is positioned to mechanical park.
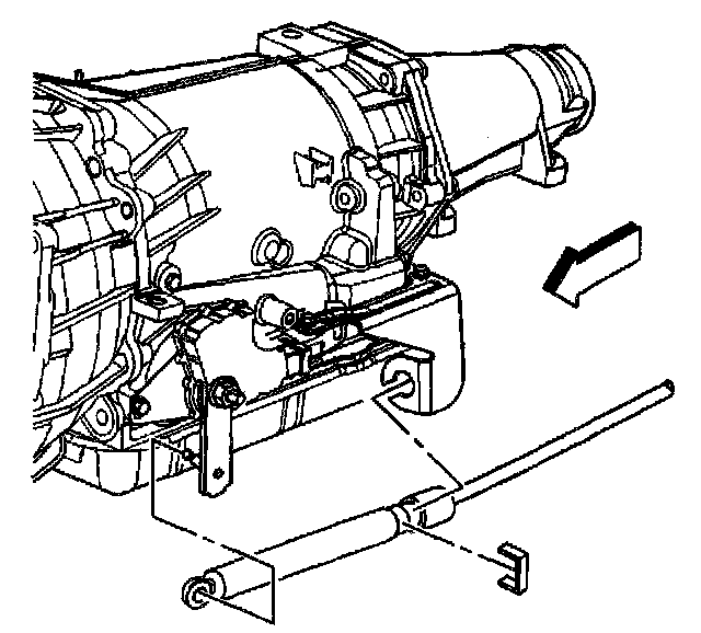
4. Remove the retainer securing the shift cable to the transmission bracket.
5. Remove the shift cable terminal shaft end from the transmission shift lever ball stud.
6. Remove the shift cable from the transmission bracket.
Depress both tangs on the conduit end fitting and push axially toward the rear of the vehicle.

7. Locate the center connector on the transmission shift cable.

8. Pull back the white plastic cover (1) on the center connector.

9. Pull up on the center tabs of the lock button (2).

Important: Do not reuse the existing removed E-clip. Discard the removed E-clip.
10. Remove the E-clip by pulling radially on the center section of the E-clip.
11. Pull the shift cable center connector ends apart.
12. Remove the cable half from the vehicle.
13. Install a NEW E-clip to the shift cable end by pushing the E-clip straight down (radially) onto the cable end.
14. Position the steering column shift lever to the park position.
15. Remove the steering column shroud.
16. Remove the driver's seat from vehicle.
17. Peel back the carpet and insulation around the driver's area.

18. Remove the retainer securing the shift cable to the steering column.

19. Remove the shift cable terminal shaft end from the steering column ball stud.
20. Remove the shift cable conduit end fitting from the steering column bracket.
Depress both tangs on the conduit end fitting and push axially toward the base of the column.

21. Remove the bolt securing the shift cable support to the brace.

Important: Avoid unnecessary twisting/bending of the shift cable when removing the shift cable from the support.
22. Remove the shift cable from the support.

23. Remove the shift cable grommet from the floor panel.
24. Raise the vehicle. Refer to Vehicle Lifting.

25. Remove the two clips on the shift cable from the floor panel reinforcement.

26. Locate the center connector on the transmission shift cable.

27. Pull back the white plastic cover (1) on the center connector.

28. Pull up on the center tabs of the lock button (2).
29. Disconnect the cable terminal end fitting at the transmission manual shaft ball stud.

30. Remove the E-clip by pulling radially on the center section of the E-clip.
^ Do not reuse the existing removed E-clip.
^ Ensure the removed E-clip is discarded.
^ The new front half (steering column end) of the shift cable will contain a new pre-installed E-clip.
31. Pull the shift cable center connector ends apart.
32. Remove the cable half from the vehicle.
Installation Procedure
Important: The shift cable is a two piece shift cable. The front or rear half of the shift cable can be removed without removing the other half. Perform the installation procedure that applies to the installation of that half of the shift cable.

1. Position the steering column shift lever to the park position.
2. Position the transmission manual shaft lever into the mechanical park position.
3. Install the two clips on the shift cable to the floor panel reinforcement.

4. Route the shift cable through the hole in the floor panel. Install the shift cable grommet to the floor panel.
5. Lower the vehicle.

6. Install the shift cable conduit end fitting to the steering column bracket.
Ensure the tangs fully seat (snap) into the steering column bracket.
7. Install the shift cable terminal shaft end to the steering column ball stud.

8. Install the retainer securing the shift cable to the steering column.

9. Install the shift cable to the support.

Notice: Refer to Fastener Notice in Service Precautions.
10. Install the bolt securing the shift cable support to the brace.
^ Tighten the bolts to 10 Nm (89 inch lbs.).
11. Install the carpet and insulation around the driver's area.
12. Install the driver's seat from vehicle.
13. Install the steering column shroud.
14. Raise the vehicle. Refer to Vehicle Lifting.

15. Grasp the front half (cab end) of the transmission cable (1) in the left hand and the rear half (transmission end) of the transmission cable (2) in the right hand.

16. Align the outside diameter of cable (2) with the inside of the diameter of cable (1).

17. Push the end of the shift cable (2) inside the end of shift cable (1) until the blue spring on shift cable (2) is fully compressed.
Pushing together the two ends of the shift cable will engage the inner wire and lock both cable wires together.

Important: This step must be performed correctly to avoid a misadjusted cable. Do not grasp the shift cable end (2) during this procedure.
18. Release the shift cable end (2) and allow the blue spring to tension/adjust the shift cable system.
19. Pull the white cover (3) on the shift cable end (1) back.

20. Push the natural colored lock button (2) down to engage the locking teeth on the shift cable end (1).

21. Release the white cover (1).

22. Verify the white cover (1) conceals the natural colored lock (2).
23. If the white cover (1) does not conceal the natural colored lock (2), perform steps 26 through 28.
24. Test the transmission for proper shift operation.
25. If all of the gear positions cannot be achieved, the shift cable must be readjusted. Perform steps 26 through 28.

26. Pull back the white plastic cover (1) on the center connector.

27. Pull up on the center tabs of the lock button (2).
28. Repeat steps 18 through 22.
Important:
^ Inspect shift lever pin for corrosion and replace if necessary.
^ The shift cable is a two-piece shift cable.
^ The front or rear half of the shift cable can be removed without removing the other half.
^ Perform the installation procedure that applies to the installation of that half of the shift cable.
29. Position the steering column shift lever to the park position.
30. Raise the vehicle. Refer to Vehicle Lifting.
31. Ensure the transmission manual shaft is positioned to the mechanical park.

32. Install the shift cable to the transmission bracket.
33. Install the retainer securing the shift cable to the transmission bracket.
34. Install the shift cable end to the transmission shift lever ball stud.
35. Grasp the front half (cab end) of the transmission cable (1) in the left hand and the rear half (transmission end) of the transmission cable (2) in the right hand.

36. Align the outside diameter of cable (2) with the inside of the diameter of cable (1).

37. Push the end of the shift cable (2) inside the end of shift cable (1) until the blue spring on shift cable (2) is fully compressed. Pushing together the two ends of the shift cable will engage the inner wire and lock both cable wires together.

Important:
^ This step must be performed correctly to avoid a misadjusted cable.
^ Do not grasp the shift cable end (2) during this procedure.

38. Release the shift cable end (2) and allow the blue spring to tension/adjust the shift cable system.
39. Pull the white cover (3) on the shift cable end (1) back.

40. Push the natural colored lock button (2) down to engage the locking teeth on the shift cable end (1).

41. Release the white cover (1).

42. Verify the white cover (1) conceals the natural colored lock (2).
43. If the white cover (1) does not conceal the natural colored lock (2), perform steps 19 through 21.
44. Lower the vehicle.
45. Test the transmission for proper shift operation.
46. If all of the gear positions cannot be achieved, the shift cable must be readjusted. Perform steps 19 through 21.

47. Pull back the white plastic cover (1) on the center connector.

48. Pull up on the center tabs of the lock button (2).
49. Repeat steps 10 through 14.