Oil Cooler Line Replacement
Oil Cooler Line ReplacementRemoval Procedure

1. Remove the front grill assembly.
2. Place a drain pan under the vehicle.
3. Disconnect the lower oil cooler line from the radiator fitting.
4. Disconnect the oil cooler line from the auxiliary cooler fitting.
5. Raise and suitably support the vehicle. Refer to Vehicle Lifting.
6. Pull the plastic cap back from the quick connect fitting and down along the cooler line about two inches.

7. Using a bent-tip screwdriver, pull on one of the ends of the E-clip until the clip is out of position and can be completely removed.
8. Remove the E-clip from the quick connect fitting.
9. Discard the E-clip.

10. Pull the cooler line straight out from the quick connect fitting.

11. Remove the oil cooler pipes from the clip at the oil pan.

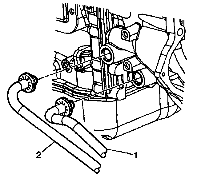
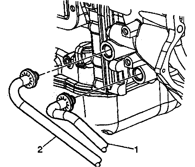
12. Remove the oil cooler pipes (1,2) from the transmission.
13. Remove the cooler lines from the vehicle.
Installation Procedure
Important: Do not reuse any of the existing E-clips that were removed from the existing quick connect fittings. All clips being installed must be new.

1. Install a new E-clip into the quick connect fittings.
2. Hook one of the open ends of the E-clips in one of the slots in the quick connect fitting.

3. Rotate the E-clip around the fitting until the clip is positioned with all three ears through the three slots on the fitting.

4. Do not install the new E-clip onto the fitting by pushing the clip straight down.
5. Ensure that the three retaining ring ears are seen from inside the fitting and that the retaining ring moves freely in the fitting slots.

6. Do not use the plastic cap on the cooler line in order to install the cooler line into the fitting.

Notice: Ensure that the cooler line being installed has a plastic cap on each end that connects to a quick connect fitting. If no plastic cap exists, or the plastic cap is damaged, obtain a new plastic cap and position on to the cooler line prior to the cooler line installation.
7. Install the transmission oil cooler lines to the vehicle.

Important: If you cannot position the plastic cap against the fitting, remove the retaining ring from the quick connect fitting per Step 5 of the cooler line removal procedure. Check the retaining ring and the tube end in order to ensure neither is bent. Replace the cooler line or the retaining ring if necessary, and reinstall per Step 2 of the cooler line installation procedure.
8. Position (snap) the plastic cap onto the fitting. Do not manually depress the retaining ring when installing the plastic cap onto the quick connect fitting.
Ensure that the plastic cap is fully seated against the fitting.
9. Pull back sharply on the cooler line in order to ensure that the cooler line is fastened into the quick connect fitting.

10. Ensure that no gap is present between the cap and the fitting.

11. Insert the cooler line ends (1,2) into the quick connect fittings on the transmission until a click is either heard or felt.

Notice: Refer to Fastener Notice in Service Precautions.
12. Install the oil cooler lines to the clip at the oil pan.
Install the oil cooler line clip nut.
^ Tighten the oil cooler line clip nut to 9 Nm (80 inch lbs.).

13. Lower the vehicle.
14. Connect the oil cooler line to the auxiliary oil cooler fitting.
15. Connect the lower oil cooler line to the radiator fitting.
16. Install the front grill assembly.
17. Check the transmission fluid.