4L60-E - Automatic Transmission
Oil Cooler Line ReplacementRemoval Procedure

1. Raise the vehicle. Refer to Vehicle Lifting.
2. Pull the plastic cap back from the quick connect fitting.
3. Remove the cooling lines from the clips.
4. Remove the two retaining rings securing the two cooling lines to the transmission.

5. Use a bent tip screwdriver.

6. Pull on the open ends of the retaining ring in order to rotate the retaining ring around the quick connect fitting until the retaining ring is out of the fitting. Discard the retaining ring.

7. Pull the cooling line straight out from the quick connect fitting.
8. Repeat this procedure to remove all the remaining cooling lines from quick connect fittings.

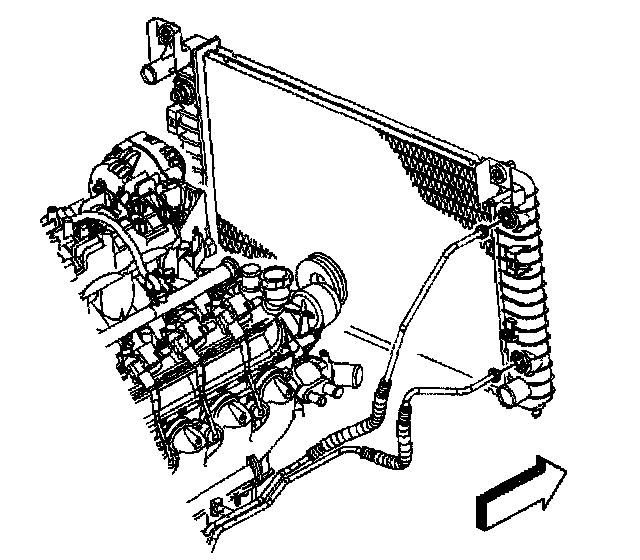
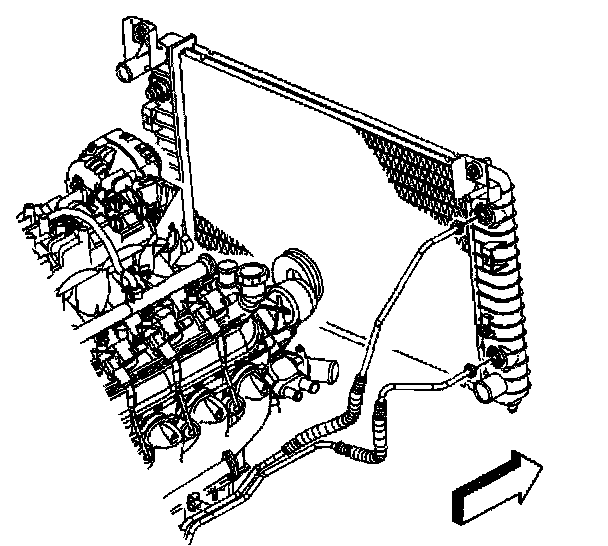
9. For vehicles with 4.3L engines, remove the cooling lines from the radiator.

10. For vehicles with 4.3L engines and auxiliary cooling, remove the cooling lines from the radiator.

11. Remove the oil cooling lines from the auxiliary oil cooler.
Installation Procedure

1. Install the transmission oil cooler line to the vehicle.
Important:
^ Do not reuse any of the existing oil lines or oil line fittings if there is excessive corrosion.
^ Do not reuse any of the existing retaining rings that were removed from the existing quick connect fittings. All retaining rings being installed must be new.
^ Ensure the following procedures are performed when installing the new retaining rings onto the fittings.
2. Install a NEW retaining ring (E-clip) into the quick connect fitting using the following procedure:
3. Hook one of the open ends of the retaining ring in one of the slots in the quick connect fitting.

4. Rotate the retaining ring around the fitting until the retaining ring is positioned with all three ears through the three slots on the fitting.

5. Do not install the new retaining ring onto the fitting by pushing the retaining ring.

6. Ensure that the three retaining ring ears are seen from inside the fitting and that the retaining ring moves freely in the fitting slots.
7. Install the NEW retaining ring (E-clip) into the remaining quick connect fittings.

8. Install the cooler line into the quick connect fitting.
9. Insert the cooler line end into the quick connect fitting until a click is either heard or felt.

10. Install the cooler lines to the vehicle.

11. Do not use the plastic cap on the cooler line in order to install the cooler line into the fitting.
12. Pull back sharply on the cooler line in order to ensure that the cooler line is fastened into the quick connect fitting.

13. Position (snap) the plastic cap onto the fitting. Do not manually depress the retaining ring when installing the plastic cap onto the quick connect fitting.
14. Ensure that the plastic cap is fully seated against the fitting.

15. Ensure that no gap is present between the cap and the fitting.

16. Ensure that the yellow identification band on the tube is hidden within the quick connect fitting. A hidden yellow identification band indicates proper joint seating.

17. Do not install the cooler line end into the fitting incorrectly.
18. If you cannot position the plastic cap against the fitting, remove the retaining ring from the quick connect fitting. Check the retaining ring and the tube end in order to ensure neither is bent. Replace the cooler line or the retaining ring if necessary, and reinstall the cooler line per the installation procedure.

19. For vehicles with 4.31L engines, install the cooling lines to the radiator.

20. For vehicles with 4.3L engines and auxiliary cooling, install the cooling lines to the radiator.

21. For vehicles with 4.3L engines and auxiliary cooling, install the oil cooling lines to the auxiliary oil cooler.

22. Install the cooling lines to the transmission.
23. Install the cooling lines to the clips.
24. Ensure all of the protective plastic caps are positioned over all of the quick connect fittings.
25. Lower the vehicle.