Allison - Automatic Transmission
Filler Tube and Seal ReplacementRemoval Procedure

1. The transmission case has provisions that enable the fill tube to be installed on either the right or left side of the transmission. Proceed to step 9 if servicing the plug and/or seal opposite the fill tube.
2. If the vehicle is equipped with a diesel engine, the transmission must be removed to service the fill tube and/or seal.
3. Remove the transmission fluid level indicator.
4. Raise and suitably support the vehicle. Refer to Vehicle Lifting.
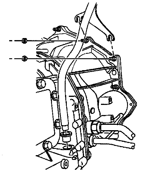
5. Remove the nuts attaching the fill tube to the transmission.
6. Place a drain pan under the transmission to catch any dripping fluid.
7. Loosen the fill tube from the transmission.

8. Remove the fill tube and seal from the vehicle.
9. Remove the fill tube plug (1).
10. Remove the fill tube plug seal (2).
Installation Procedure

1. Install a new fill tube plug seal (2) into the main housing.
2. Align the tab on the fill tube plug (1) with the tang on the main housing.
3. Install the fill tube plug (1). Press the plug into the seal (2) until the tab on the fill tube plug locks into place in the notch on the main housing.

4. Install the new fill tube seal to the transmission.

5. Install the fill tube to the transmission. Ensure that the fill tube bracket is positioned properly on the studs.
Notice: Refer to Fastener Notice in Service Precautions.
6. Install the fill tube bracket nuts to the studs.
^ Tighten the fill tube bracket nuts to 18 Nm (113 ft. lbs.).
7. Lower the vehicle.
8. Fill the transmission to the proper level with approved fluid.