Reverse Servo Replacement
Reverse Servo ReplacementRemoval Procedure

1. Raise the vehicle. Refer to Vehicle Lifting.
2. Remove the transmission oil pan and filter.
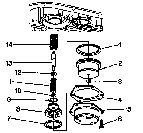
3. Remove the rear servo assembly from the transmission case as follows:
^ Cover bolts (6)
^ Cover (5)
^ Cover gasket (4)
^ Bottom retaining clip (3)
^ Servo piston (2)
^ Outer ring oil seal (1)
^ Inner ring oil seal (7)
^ Accumulator piston (8)
^ Piston seal (9)
^ Washer (10)
^ Servo spring (11)
^ Servo spring retainer (12
^ Selective pin (13)
^ Accumulator spring (14)
Installation Procedure

1. Install the rear servo assembly to the transmission case as follows:
^ Accumulator spring (14)
^ Selective pin (13)
^ Servo spring retainer (12)
^ Servo spring (11)
^ Washer (10)
^ Piston seal (9)
^ Accumulator piston (8)
^ Inner ring oil seal (7)
^ Outer ring oil seal (1)
^ Servo piston (2)
^ Bottom retaining clip (3)
^ Cover gasket (4)
^ Cover (5)
^ Cover Bolt (6)
Notice: Refer to Fastener Notice in Service Precautions.
2. Install the cover bolts (61).
^ Tighten the bolts to 24 Nm (18 ft. lbs.).
3. Install the transmission oil pan and filter.
4. Lower the vehicle.
5. Fill the transmission to the proper level with Dexron III transmission fluid.