Throttle Cable/Linkage: Service and Repair
ACCELERATOR CONTROLS CABLE REPLACEMENTREMOVAL PROCEDURE

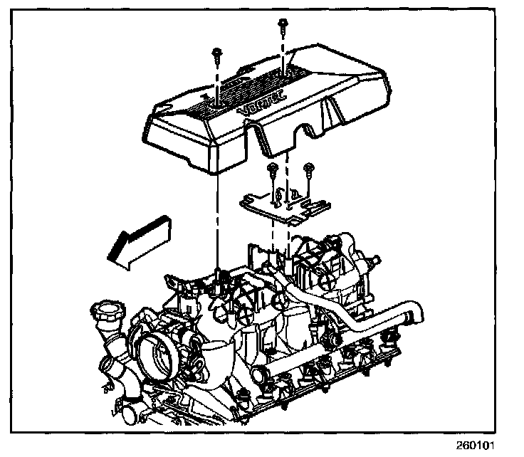
1. Remove the engine sight shield.

2. Disconnect the accelerator cable from the throttle body lever.

3. Remove the accelerator cable from the cable bracket.

4. Unclip the accelerator cable from the engine sight shield mounting bracket.

5. Remove the left instrument panel insulator.
6. Disconnect the accelerator cable retainer (3) from the accelerator pedal lever (2).
7. Squeeze the accelerator cable cover tangs (1) and push the cable through the dash panel.
8. Remove the accelerator cable.
INSTALLATION PROCEDURE

1. Install the accelerator cable through the dash panel. Snap the accelerator cable cover tangs (1) through the dash panel.
2. Install the accelerator cable through the slot in the accelerator pedal lever (2).
3. Seat the retainer (3) in the accelerator pedal lever (2).

4. Connect the accelerator cable to the throttle body lever.

5. Slide the accelerator cable into the slot on the accelerator cable bracket. Snap the locking tab into position.

6. Clip the accelerator cable into the engine sight shield mounting bracket.

7. Test for complete throttle opening and closing range by operating the accelerator pedal. Also inspect the carpet fit under the accelerator pedal. The throttle should operate freely without binding between full closed throttle and wide open throttle (WOT).
8. Install the left instrument panel insulator.
9. Install the engine sight shield.