Throttle Body Assembly Replacement (Without ETC)
REMOVAL PROCEDURE
1. Remove the air intake duct.

2. Disconnect the accelerator control cable and the cruise control cable from the throttle body.
3. Disconnect the vacuum hose from the throttle body.

4. Disconnect the throttle position (TP) sensor and idle air control (IAC) valve harness connectors.

5. Disconnect the coolant hose from the throttle body.

6. Disconnect the coolant hose from the vapor vent pipe.

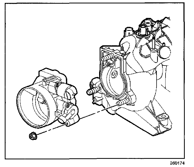
7. Remove the throttle body attaching nuts.
8. Remove the throttle body and the gasket. Discard the gasket.
NOTE: Refer to Machined Aluminum Surfaces Notice in Service Precautions.
IMPORTANT:
^ DO NOT soak the throttle body in a cold immersion type cleaner. The throttle plate has a factory applied sealing compound. The DAG material is applied to the outside edge of the plate and the throttle bore to prevent air bypass at closed throttle. Strong solvents or brushing removes the material. To clean the throttle body following disassembly, use a spray type cleaner such as GM X - 66A or GM P/N 1052626. Use a shop towel to remove heavy deposits.
^ The TP sensor and the IAC valve are electrical components, and should NOT come in contact with solvent or cleaner in order to avoid damage.
9. Clean the gasket sealing surfaces.
INSTALLATION PROCEDURE

1. Install the throttle body with a new gasket.
NOTE: Refer to the Fastener Notice in Service Precautions.
2. Install the throttle body attaching nuts.
Tighten
Tighten the nuts to 10 N.m (89 lb in).

3. Connect the coolant hose to the throttle body.

4. Connect the coolant hose to the vapor vent pipe.

5. Connect the accelerator control cable and the cruise control cable to the throttle body.

6. Connect the TP sensor and the IAC valve electrical connectors.
7. Connect the vacuum hose to the throttle body.

8. Install the air intake duct.
9. With the engine OFF, verify that the accelerator pedal moves freely. Depress the accelerator pedal to the floor and release the pedal.
10. In order to reset the IAC valve, perform the following procedure:
10.1. Turn ON the ignition for 10 seconds.
10.2. Turn OFF the ignition for 5 seconds.
10.3. Start the engine and check for the proper idle speed.