Canister Purge Control Valve: Service and Repair
EVAPORATIVE EMISSION (EVAP) CANISTER PURGE VALVE REPLACEMENTREMOVAL PROCEDURE

1. Remove the engine sight shield.

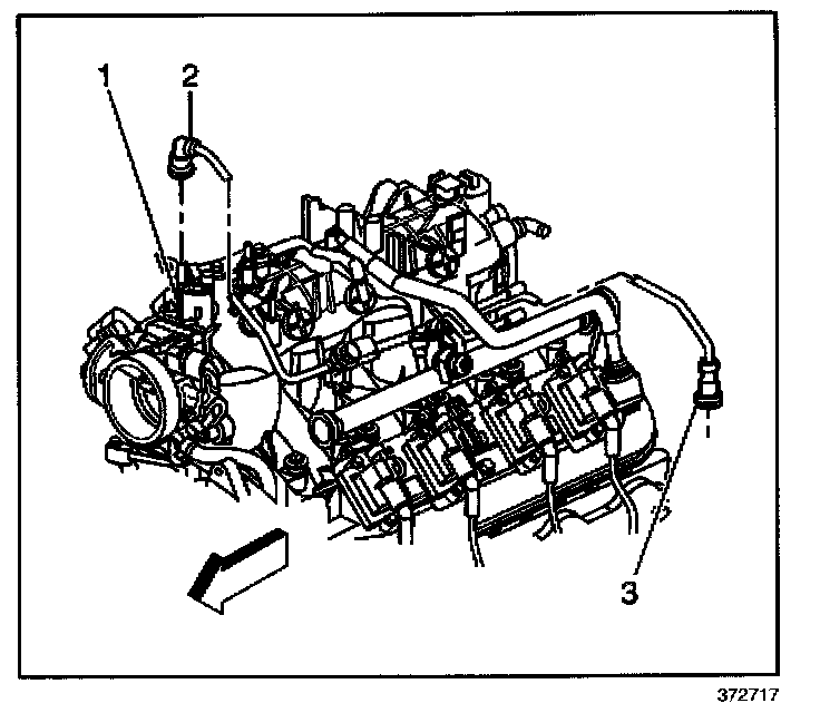
2. Push the evaporative emission (EVAP) pipe quick connect fitting retainer inward.

3. Disconnect the EVAP pipe (2) from the EVAP purge solenoid (1).

4. Disconnect the EVAP purge solenoid electrical connector.
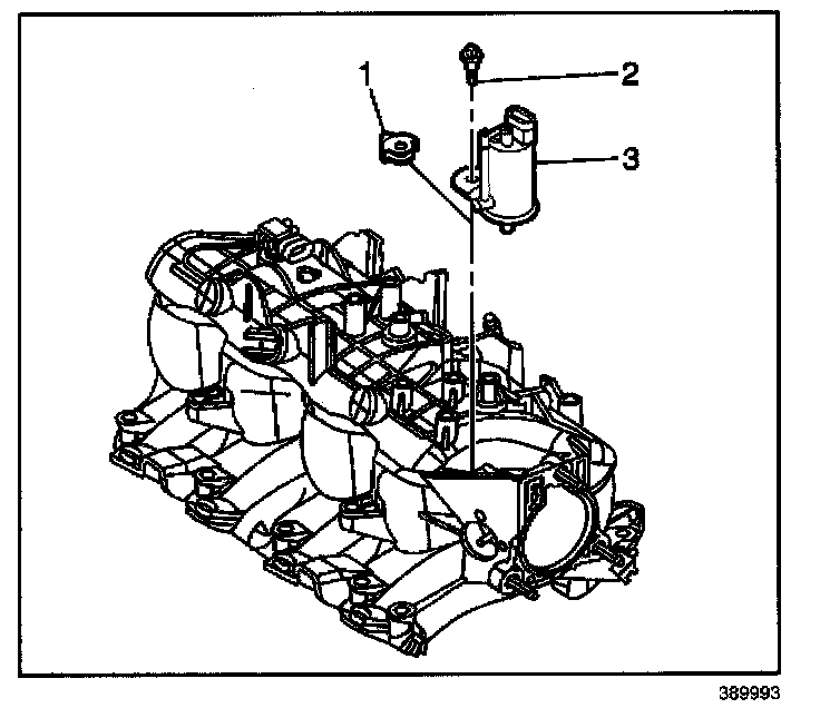
5. Remove the EVAP purge solenoid mount bolt (2).
6. Remove the EVAP purge solenoid (3) and the insulator (1) from the engine.
INSTALLATION PROCEDURE

1. Install the insulator (1) on the EVAP canister purge valve (3).
2. Install the EVAP canister purge valve (3) to the engine.
NOTE: Refer to Fastener Notice in Service Precautions.
3. Install the EVAP canister purge valve mount bolt (2).
Tighten
Tighten the EVAP canister purge valve mount bolt to 10.5 N.m (93 lb in).

4. Connect the EVAP pipe (2) to the EVAP canister purge valve (1).
5. Connect the EVAP canister purge valve electrical connector.

6. Install the engine sight shield.