Air Injection Pump: Service and Repair
REMOVAL PROCEDURE
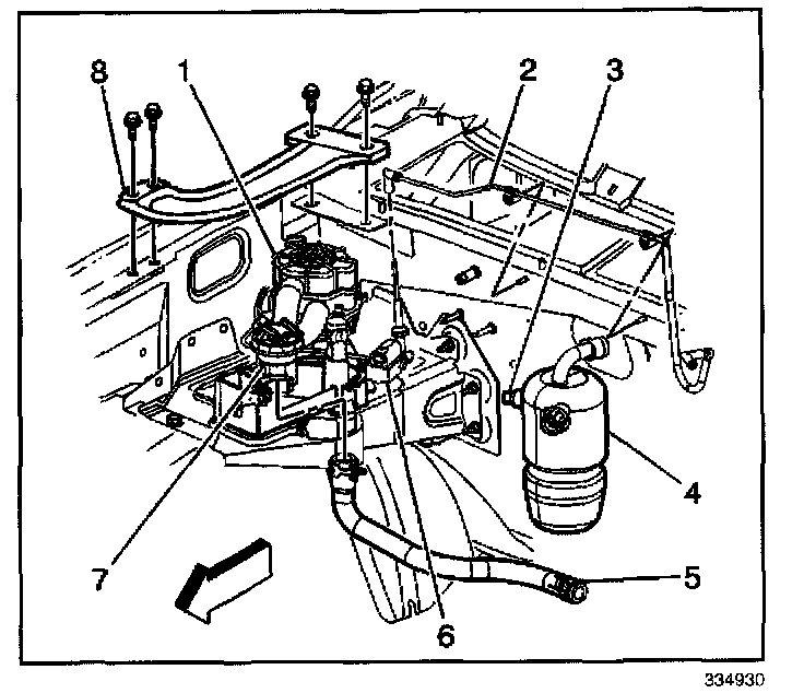
1. Remove the brace (8) attached to the fender and cowl.
2. Disconnect the electrical connector from the AIR pump (1).
3. Disconnect the electrical connector from the AIR solenoid valve (6).

4. Disconnect the electrical connector from the relay (7).
5. Remove the hose clamp (12) from the AIR shut-off valve hose (10).
6. Remove the hose from the AIR shut-off valve (13).
7. Remove the vacuum line (5) from the AIR solenoid valve (6).

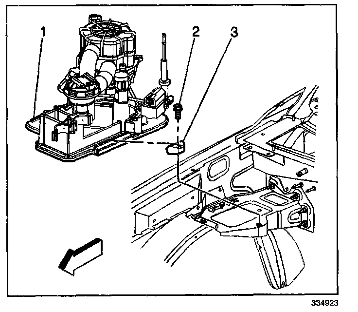
8. Remove the AIR pump assembly hold down fastener (2) and block (3).
9. Remove the AIR pump assembly (1).

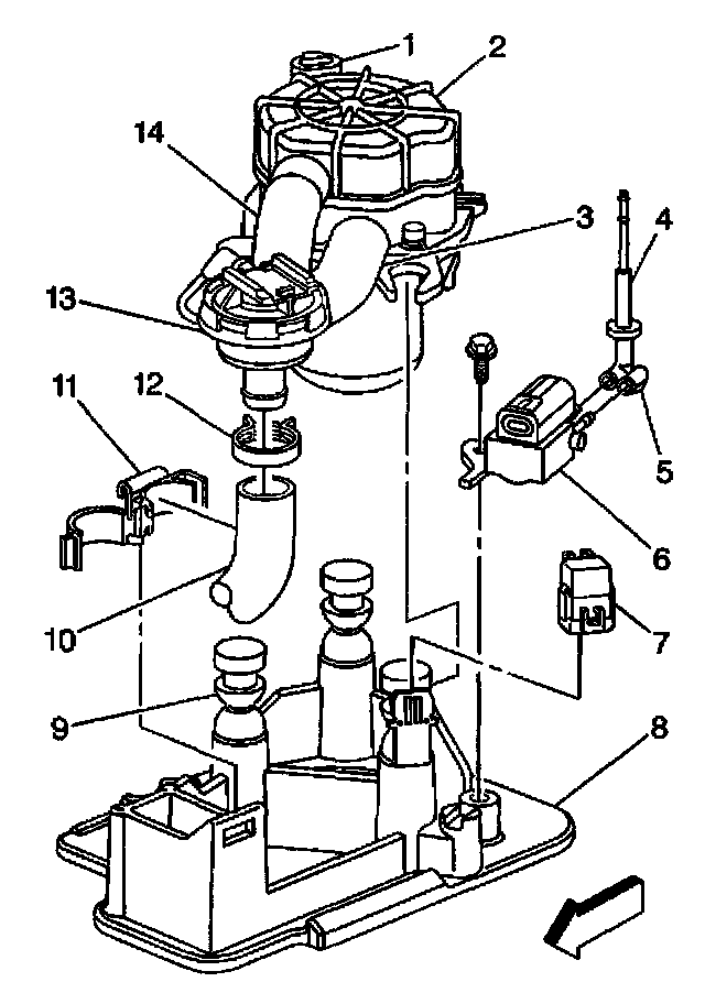
10. Release the AIR pump rubber mounting posts (9) from the AIR pump (2).
11. Remove the AIR hoses (3/4) from the AIR pump (2).
12. Remove the AIR pump (2).
INSTALLATION PROCEDURE

1. Install the AIR pump (2) onto the rubber mounting posts (9).
2. Connect the hoses (3,14) to the AIR pump (2).

3. Install the AIR pump assembly (1) into the vehicle.
4. Install the AIR pump assembly hold down block (3) and the fastener (2).
NOTE: Refer to Fastener Notice in Service Precautions.
5. Install the AIR pump assembly hold down mounting bolt.
Tighten
Tighten the hold down fastener (2) to 25.0 N.m (18 lb ft).

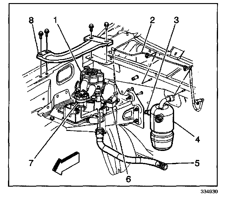
6. Connect the hose (10) to the AIR shut-off valve (13).
7. Connect the hose clamp (12) to the AIR shut-off valve hose (10).
8. Connect the electrical connector to the AIR pump (2).
9. Connect the electrical connector to the AIR solenoid valve (6).
10. Connect the electrical connector to the AIR pump relay (7).
11. Connect the vacuum line (5) to the AIR solenoid valve (6).

12. Install the brace (8) to the fender and cowl.
13. Test the AIR system for proper operation.