Air Injection Control Valve: Service and Repair
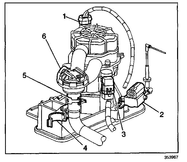
REMOVAL PROCEDURE
1. Release the clamp (4) securing the AIR hose to the AIR pump assembly base.
2. Release the clamp (5) securing the AIR hose to the AIR pump shut-off valve.

3. Remove the AIR hose from the AIR pump shut-off valve outlet port (3).
4. Remove the vacuum line (5) from the vacuum port (4) of the AIR pump shut-off valve.
5. Release the AIR pump shut-off valve inlet port (1) from the AIR pump outlet hose.
INSTALLATION PROCEDURE

1. Install the AIR pump shut-off valve inlet port (1) to the AIR pump outlet hose.
2. Install the vacuum line (5) to the AIR pump shut-off valve vacuum port (4).
3. Install the AIR hose to the AIR pump shut-off valve inlet port (3).

4. Install the clamp (5) securing the AIR hose to the AIR pump shut-off valve.
5. Install the clamp (4) securing the AIR hose to the AIR pump assembly base.