Operation CHARM
: Car repair manuals for everyone.
Home
>>
GMC
>>
2001
>>
C 1500 Yukon 2WD V8-5.3L VIN T
>>
Repair and Diagnosis
>>
Powertrain Management
>>
Diagrams
>>
Electrical Diagrams
>>
Engine Controls
>>
Ignition Controls
>>
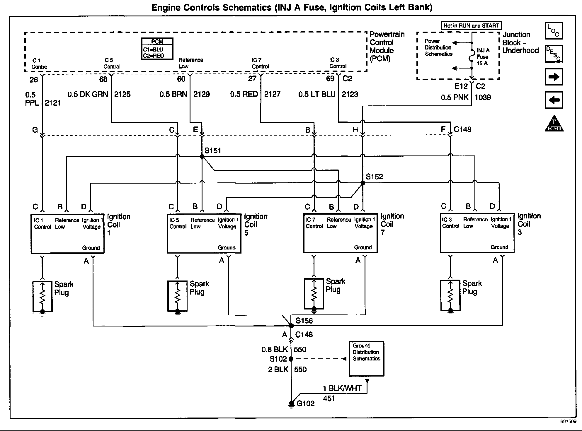
INJ A Fuse, Ignition Coils Left Bank
INJ A Fuse, Ignition Coils Left Bank
Engine Controls Schematics: INJ A Fuse, Ignition Coils Left Bank: