Operation CHARM
: Car repair manuals for everyone.
Home
>>
GMC
>>
2001
>>
C 1500 Yukon 2WD V8-5.3L VIN T
>>
Repair and Diagnosis
>>
Powertrain Management
>>
Diagrams
>>
Electrical Diagrams
>>
Engine Controls
>>
IAC Valve, MAP, TP, MAF, ECT Sensor
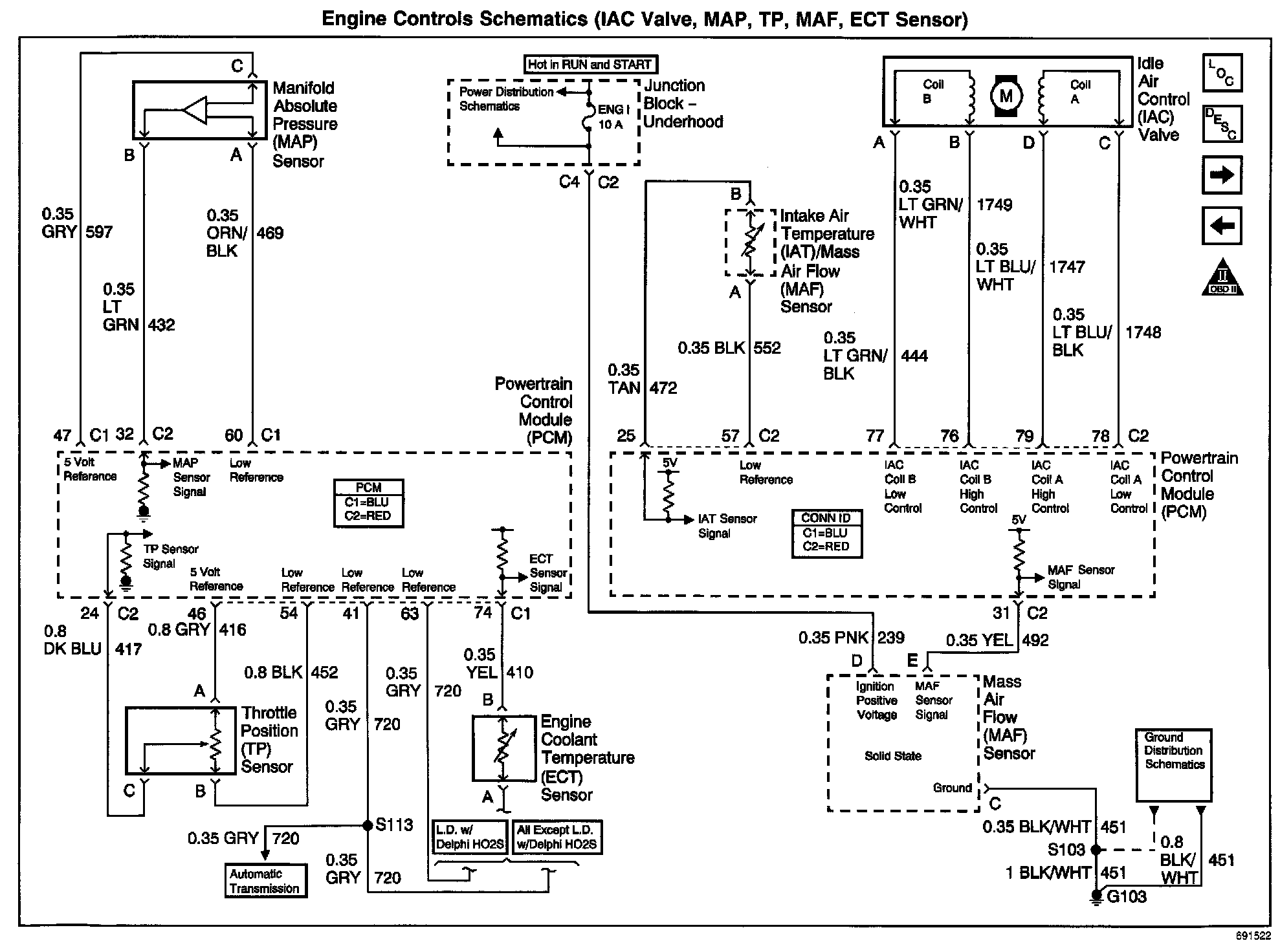
IAC Valve, MAP, TP, MAF, ECT Sensor
Engine Controls Schematics: IAC Valve, MAP, TP, MAF, ECT Sensor: