Operation CHARM
: Car repair manuals for everyone.
Home
>>
GMC
>>
2001
>>
C 1500 Yukon 2WD V8-5.3L VIN T
>>
Repair and Diagnosis
>>
Powertrain Management
>>
Diagrams
>>
Electrical Diagrams
>>
Engine Controls
>>
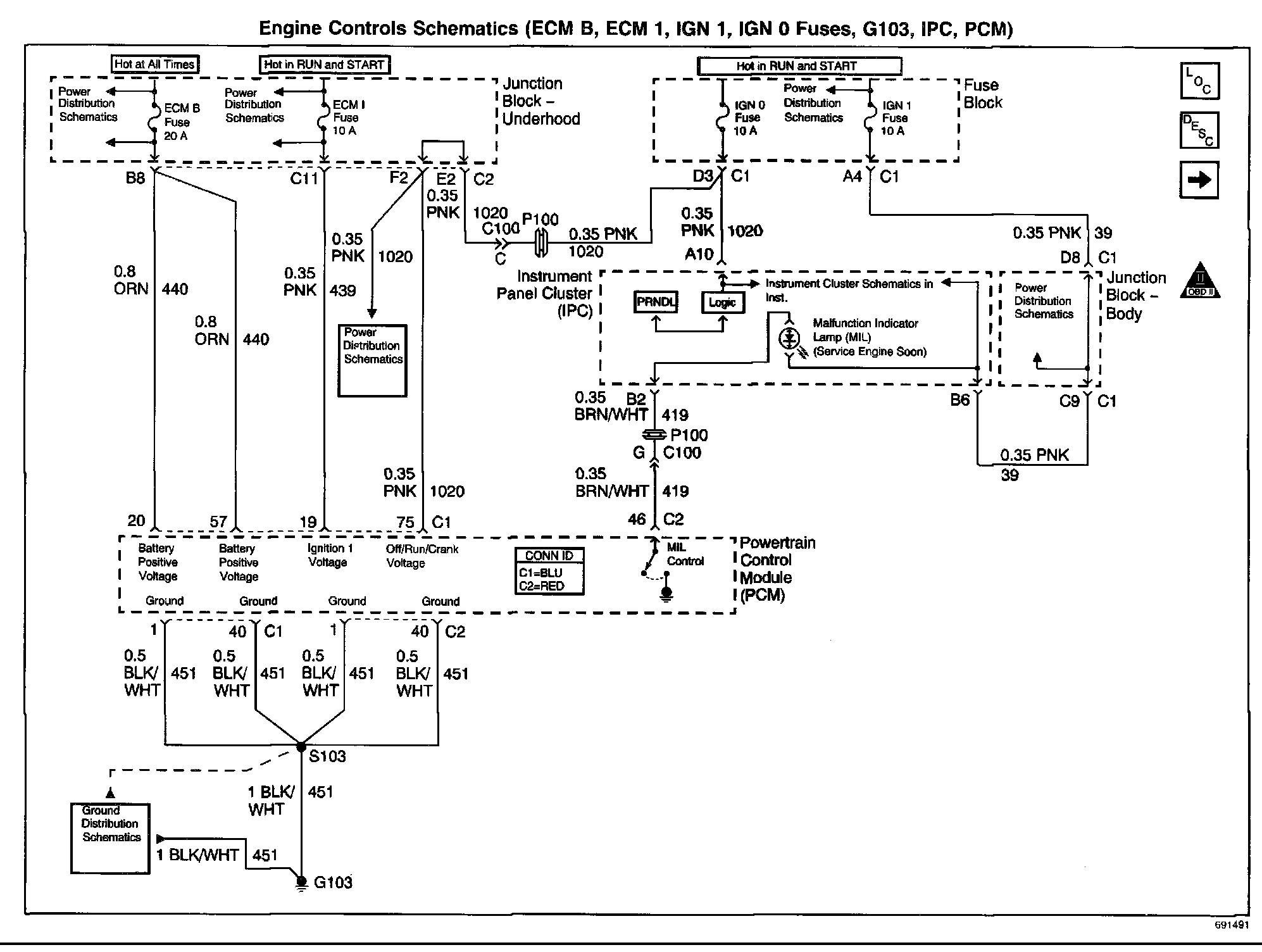
ECM B, ECM 1, IGN 1, IGN 0 Fuses, G103, IPC, PCM
ECM B, ECM 1, IGN 1, IGN 0 Fuses, G103, IPC, PCM
Engine Controls Schematics: ECM B, ECM 1, IGN 1, IGN 0 Fuses, G103, IPC, PCM: