Idle Speed/Throttle Actuator - Electronic: Service and Repair
IDLE AIR CONTROL (IAC) VALVE REPLACEMENTREMOVAL PROCEDURE

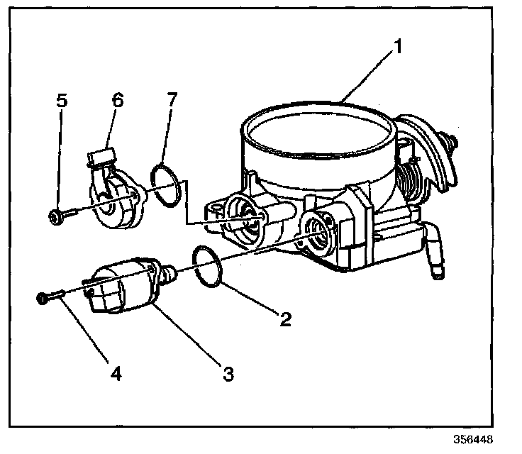
1. Disconnect the idle air control (IAC) valve electrical connector.

2. Remove the IAC valve attaching screws (4).
3. Remove the IAC valve (3).
4. Remove the IAC valve O-ring seal (2).
NOTE: Refer to IAC valve notice in Service Precautions.
5. Clean the IAC valve O-ring sealing surface, the pintle valve seat, and the air passage.
^ Clean the IAC valve using GM cleaner P/N 1052626 or GM X - 66A. Use a shop towel or parts brush to remove heavy deposits.
^ If the air passage has heavy deposits, remove the throttle body for complete cleaning.
^ Shiny spots on the pintle or seat are normal and do not indicate misalignment or a bent pintle shaft.
6. Inspect the IAC valve O-ring for cuts, cracks, or distortion. Replace the O-ring if the O-ring is damaged.
INSTALLATION PROCEDURE
IMPORTANT: If installing a new IAC valve be sure to replace the IAC valve with an identical part. The pintle shape of the IAC valve and the diameter of the IAC valve are designed for the specific application.

1. Measure the distance between the tip of the IAC valve pintle and the mounting surface (1). If the distance is more than 28 mm (1.1 in) use finger pressure to slowly retract the pintle. The force required to retract the pintle of a new valve does not cause damage to the valve.

2. Lubricate the IAC valve O-ring (2) with clean engine oil.
3. Install the IAC valve O-ring (2) on the IAC valve (3).
4. Install the IAC valve (3).
5. Apply LOCTITE 262 to the IAC valve attaching screw threads if necessary.
NOTE: Refer to the Fastener Notice in Service Precautions.
6. Install the IAC valve attaching screws (4).
Tighten
Tighten the screws to 3 N.m (27 lb in).

7. Connect the IAC valve electrical connector.
8. Perform the idle learn procedure. Refer to Idle Learn Procedure.