Operation CHARM
: Car repair manuals for everyone.
Home
>>
GMC
>>
2001
>>
C 1500 Yukon 2WD V8-5.3L VIN T
>>
Repair and Diagnosis
>>
Powertrain Management
>>
Computers and Control Systems
>>
Fuel Tank Pressure Sensor
>>
Service and Repair
>>
Dual Tank
Dual Tank
REMOVAL PROCEDURE
1.
Remove the fuel tank.
2.
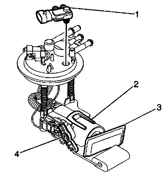
Remove the
fuel pressure sensor
(1).
INSTALLATION PROCEDURE
1.
Install the
fuel pressure sensor
(1).
2.
Install the fuel tank.