Operation CHARM
: Car repair manuals for everyone.
Home
>>
GMC
>>
2001
>>
C 1500 Yukon 2WD V8-5.3L VIN T
>>
Repair and Diagnosis
>>
Powertrain Management
>>
Transmission Control Systems
>>
Diagrams
>>
Electrical Diagrams
>>
4L80-E/4L85-E Automatic Transmission
>>
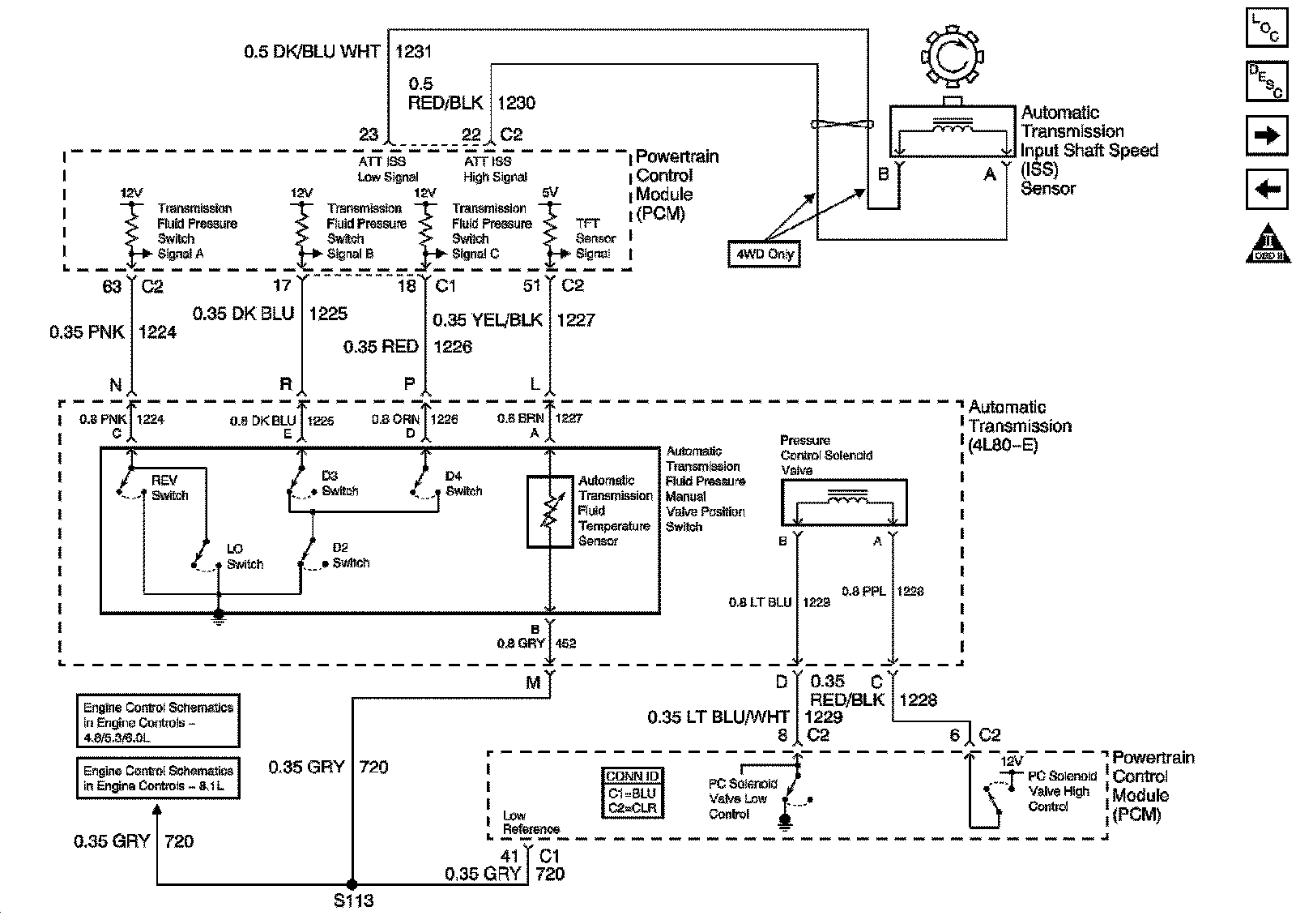
TFT Sensor, Pressure Control Solenoid, and ISS Sensor
TFT Sensor, Pressure Control Solenoid, and ISS Sensor