Exhaust Pipe Gasket: Service and Repair
Exhaust Seal ReplacementRemoval Procedure

1. Raise and suitably support the vehicle. Refer to Vehicle Lifting.
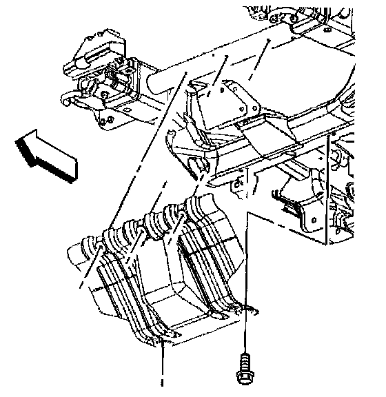
2. Remove the engine shield bolts and shield, if necessary.

3. Remove the oil pan skid plate bolts and plate, if necessary.

4. If equipped with a 4.3L, 4.8L, or 5.3L engine, perform the following:
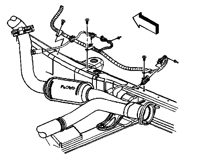
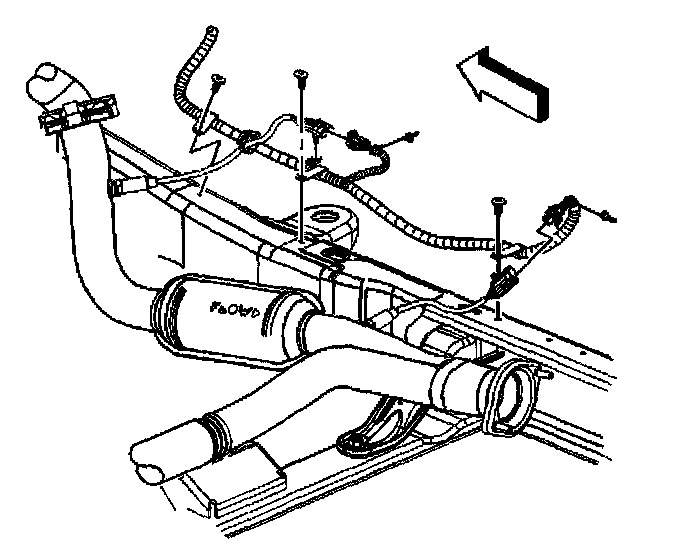
^ Remove the clip from around the engine harness and the oxygen sensor pigtail.
^ Disconnect the Connector Position Assurance (CPA) retainer.
^ Disconnect the forward oxygen sensor electrical connector.

5. If equipped with a 4.3L, 4.8L, or 5.3L engine, perform the following:
^ Unclip the oxygen sensor electrical connector from the hose clip.
^ Disconnect the CPA retainer.
^ Disconnect the oxygen sensor electrical connector (1).

6. If equipped with a 6.0L or 8.1L engine, perform the following:
^ Disconnect the CPA retainer.
^ Disconnect the oxygen sensor electrical connector.
7. Support the catalytic converter or exhaust manifold pipe with adjustable jackstands.

8. If equipped with a 4.3L, 4.8L, or 5.3L engine, remove the left exhaust manifold pipe nuts.

9. If equipped with a 4.3L, 4.8L, or 5.3L engine, remove the right exhaust manifold pipe nuts.

10. If equipped with a 6.0L or 8.1L engine, remove the right exhaust manifold pipe nuts.

11. If equipped with a 6.0L or 8.1L engine, perform the following:
^ Remove the left exhaust manifold pipe nuts.
^ Remove the exhaust hanger mounting bracket bolts.
12. Lower the catalytic converter or exhaust manifold pipe using the adjustable jackstands.
13. Remove the exhaust manifold pipe seal(s).
Installation Procedure

1. Install the exhaust manifold pipe seal(s).
2. Raise the catalytic converter or exhaust manifold pipe using the adjustable jackstands.
3. If equipped with a 6.0L or 8.1L engine, perform the following:
Notice: Refer to Fastener Notice in Service Precautions.
^ Install the exhaust hanger mounting bracket bolts.
^ Install the left exhaust manifold pipe nuts.
^ Tighten the transmission bolts to 100 Nm (74 ft. lbs.).
^ Tighten the exhaust pipe hanger bracket bolts to 12 Nm (106 inch lbs.).
^ Tighten the exhaust manifold pipe nuts to 50 Nm (39 ft. lbs.).

4. If equipped with a 6.0L or 8.1L engine, install the right exhaust manifold pipe nuts.
^ Tighten the exhaust manifold pipe nuts to 50 Nm (39 ft. lbs.).

5. If equipped with a 4.3L, 4.8L, or 5.3L engine, install the right exhaust manifold pipe nuts.

6. If equipped with a 4.3L, 4.8L, or 5.3L engine, install the left exhaust manifold pipe nuts.
^ Tighten the exhaust manifold pipe nuts to 50 Nm (39 ft. lbs.).

7. If equipped with a 6.0L or 8.1L engine, perform the following:
^ Connect the oxygen sensor electrical connector.
^ Connect the CPA retainer.
8. Remove the adjustable jackstands from catalytic converter or exhaust manifold pipe.

9. If equipped with a 4.3L, 4.8L, or 5.3L engine, perform the following:
^ Connect the oxygen sensor electrical connector (1).
^ Connect the CPA retainer.
^ Clip the oxygen sensor electrical connector to the hose clip.

10. If equipped with a 4.3L, 4.8L, or 5.3L engine, perform the following:
^ Connect the forward oxygen sensor electrical connector.
^ Connect the CPA retainer.
^ Install the clip around the engine harness and the oxygen sensor pigtail.

11. Install the oil pan skid plate and bolts, if necessary.
^ Tighten the oil pan skid plate bolts to 20 Nm (15 ft. lbs.).

12. Install the engine shield and bolts, if necessary.
13. Lower the vehicle.
^ Tighten the engine shield bolts to 20 Nm (15 ft. lbs.).
13. Lower the vehicle.