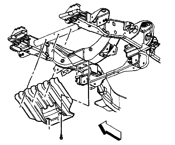
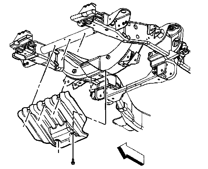
Exhaust Heat Shield Replacement - Dash Panel
Exhaust Heat Shield Replacement - Dash PanelRemoval Procedure

1. Raise and suitably support the vehicle. Refer to Vehicle Lifting.
2. Remove the engine shield bolts and shield, if necessary.

3. Remove the exhaust heat shield nuts.
4. Remove the exhaust heat shield (1, 3) from the dash panel studs.
Installation Procedure

1. Install the exhaust heat shield (1, 3) to the dash panel studs.
Notice: Refer to Fastener Notice in Service Precautions.
2. Install the exhaust heat shield nuts.
^ Tighten the exhaust heat shield nuts to 9 Nm (80 inch lbs.).

3. Install the engine shield and bolts, if necessary.
^ Tighten the engine shield bolts to 20 Nm (15 ft. lbs.).
4. Lower the vehicle.