Exhaust Manifold Replacement - Right
Exhaust Manifold Replacement - Right
1. Raise and suitably support the vehicle. Refer to Vehicle Lifting.
2. Remove the exhaust manifold pipe nuts.
3. Lower the vehicle.
4. Remove the spark plugs.
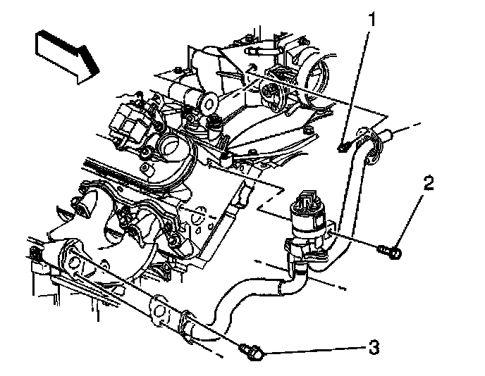
5. Remove the bolts (1, 2, 3) attaching the Exhaust Gas Recirculation (EGR) valve pipe to the following:
^ Intake manifold
^ Cylinder head
^ Exhaust manifold

6. Remove the EGR valve pipe and gaskets. With mild force, pull the EGR valve pipe from the intake manifold.
7. Remove the O-ring seal from the EGR valve pipe.
8. Discard the gasket and the O-ring seal.

9. Remove the secondary air injection (AIR) check valve pipe (crossover) bolt.

10. Reposition the AIR check valve pipe (crossover) hose spring clamps.
11. Remove the AIR check valve pipe (crossover) (1) from the check valves.
Important: Do not remove the check valve from the AIR pipe unless valve replacement is required.
12. Remove the AIR check valve pipe nuts (2), pipe (with check valve) (4), and gasket (3) from the right exhaust manifold.

13. Remove the exhaust manifold bolts, manifold, and gasket.
14. Discard the gasket.

15. If necessary, remove the heat shield bolts (3), and shield (2) from the exhaust manifold (1).
Installation Procedure
Notice: Refer to Fastener Notice in Service Precautions.

1. If necessary, install the heat shield (2), and bolts (3) to the exhaust manifold (1).
^ Tighten the exhaust manifold heat shield bolts to 9 Nm (80 inch lbs.).

Important:
^ Tighten the exhaust manifold bolts as specified in the service procedure. Improperly installed and/or leaking exhaust manifold gaskets may affect vehicle emissions and/or On-Board Diagnostics (OBD) 11 system performance.
^ The cylinder head exhaust manifold bolt hole threads must be clean and free of debris or threadlocking material.
Important: Do not apply sealant to the first three threads of the bolt.
2. Apply a 5 mm (0.2 inch) wide band of threadlock GM P/N 12345493 or equivalent to the threads of the exhaust manifold bolts.
3. Install the exhaust manifold, NEW gasket and bolts.
3.1. Tighten the exhaust manifold bolts a first pass to 15 Nm (11 ft. lbs.). Tighten the exhaust manifold bolts beginning with the center 2 bolts. Alternate from side-to-side, and work toward the outside bolts.
3.2. Tighten the exhaust manifold bolts a final pass to 25 Nm (18 ft. lbs.). Tighten the exhaust manifold bolts beginning with the center 2 bolts. Alternate from side-to-side, and work toward the outside bolts.
4. Using a flat punch, bend over the exposed edge of the exhaust manifold gasket at the front of the right cylinder head.

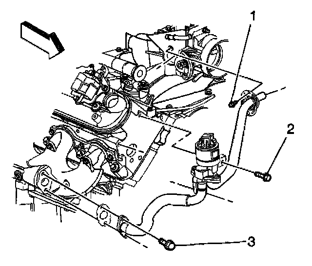
5. Install a NEW AIR check valve pipe gasket (3), the nuts (2), and pipe (with check valve) (4) to the right exhaust manifold.
^ Tighten the AIR check valve pipe nuts to 25 Nm (18 ft. lbs.).
6. Install the AIR check valve pipe (crossover) (1) to the check valves.
7. Position the AIR check valve pipe (crossover) hose spring clamps.

8. Install the AIR check valve pipe (crossover) bolt.
^ Tighten the AIR check valve pipe (crossover) bolt to 50 Nm (37 ft. lbs.).

9. Apply a light coating of clean engine oil to a NEW O-ring seal and install the seal onto the EGR valve pipe.
10. Install the EGR pipe.
11. Install the EGR valve pipe bolts until snug.
11.1. Tighten the EGR valve pipe to intake manifold bolt (1) to 10 Nm (89 inch lbs.).
11.2. Tighten the EGR valve pipe to cylinder head bolts (2) to 50 Nm (37 ft. lbs.).
11.3. Tighten the EGR valve pipe to exhaust manifold bolts (3) to 30 Nm (22 ft. lbs.).
12. Install the spark plugs.
13. Raise the vehicle.

14. Install the exhaust manifold pipe nuts.
^ Tighten the exhaust manifold pipe nuts to 50 Nm (37 ft. lbs.).
15. Lower the vehicle.