Exhaust Manifold Replacement - Left
Exhaust Manifold Replacement - Left
1. Raise and suitably support the vehicle. Refer to Vehicle Lifting.
2. Remove the exhaust manifold pipe nuts.
3. Lower the vehicle.
4. Remove the spark plugs.
5. Remove the Engine Coolant Temperature (ECT) sensor.

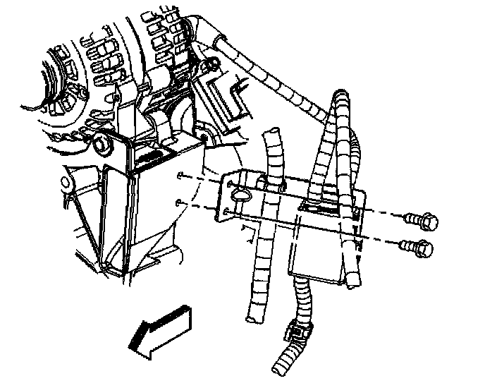
6. Remove the junction block bracket bolts.
7. Reposition the junction block.

8. Remove the secondary air injection (AIR) check valve pipe (crossover) bolt.

9. Reposition the AIR check valve pipe (crossover) hose spring clamps.
10. Remove the AIR check valve pipe (crossover)(1) from both check valves.

Important: Do not remove the check valve from the AIR pipe unless valve replacement is required.
11. Remove the AIR check valve pipe nuts, pipe (with check valve), and gasket from the left exhaust manifold.

12. Remove the exhaust manifold bolts, manifold, and gasket.
13. Discard the gasket.

14. If necessary, remove the heat shield bolts (3), and shield (2) from the exhaust manifold (1).
Installation Procedure
Notice: Refer to Fastener Notice in Service Precautions.

1. If necessary, install the heat shield (2), and bolt (3) to the exhaust manifold (1).
^ Tighten the exhaust manifold heat shield bolts to 9 Nm (80 inch lbs.).

Important:
^ Tighten the exhaust manifold bolts as specified in the service procedure. Improperly installed and/or leaking exhaust manifold gaskets may affect vehicle emissions and/or On-Board Diagnostics (OBD) 11 system performance.
^ The cylinder head exhaust manifold bolt hole threads must be clean and free of debris or threadlocking material.
Important: Do not apply sealant to the first three threads of the bolt.
2. Apply a 5 mm (0.2 inch) wide band of threadlock GM P/N 12345493 or equivalent to the threads of the exhaust manifold bolts.
3. Install the exhaust manifold, NEW gasket and bolts.
3.1. Tighten the exhaust manifold bolts a first pass to 15 Nm (11 ft. lbs.). Tighten the exhaust manifold bolts beginning with the center two bolts. Alternate from side-to-side, and work toward the outside bolts.
3.2. Tighten the exhaust manifold bolts a final pass to 25 Nm (18 ft. lbs.). Tighten the exhaust manifold bolts beginning with the center two bolts. Alternate from side-to-side, and work toward the outside bolts.

4. Using a flat punch, bend over the exposed edge of the exhaust manifold gasket at the rear of the left cylinder head.
5. Install a NEW AIR check valve pipe gasket, the nuts, and pipe (with check valve) to the left exhaust manifold.
^ Tighten the AIR check valve pipe nuts to 25 Nm (18 ft. lbs.).

6. Install the AIR check valve pipe (crossover) (1) to the check valves.
7. Position the AIR check valve pipe (crossover) hose spring clamps.

8. Install the AIR check valve pipe (crossover) bolt.
^ Tighten the AIR check valve pipe nuts to 50 Nm (37 ft. lbs.).

9. Position the junction block to the generator bracket.
10. Install the junction block bracket bolts.
^ Tighten the junction block bracket bolts to 9 Nm (80 inch lbs.).
11. Install the ECT sensor.
12. Install the spark plugs.
13. Raise the vehicle.

14. Install the exhaust manifold pipe nuts.
^ Tighten the exhaust manifold pipe nuts to 50 Nm (37 ft. lbs.).
15. Lower the vehicle.