Catalytic Converter: Service and Repair
Catalytic Converter ReplacementRemoval Procedure
Caution: Refer to Hot Exhaust System Caution in Service Precautions.
Caution: Refer to Exhaust Parts Removal Caution in Service Precautions.

1. Raise and suitably support the vehicle. Refer to Vehicle Lifting.
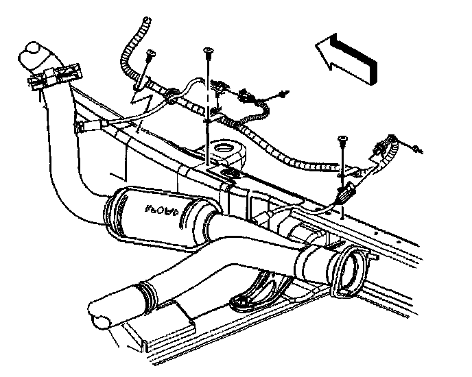
2. If equipped, unclip the oxygen sensor connection from the floor reinforcement.
3. Disconnect the oxygen sensor electrical connector.

4. Remove the oxygen sensor clips from the frame.
5. Disconnect the Connector Position Assurance (CPA) retainers.
6. Disconnect the oxygen sensor electrical connectors.

7. Unclip the oxygen sensors electrical connectors from the following:
^ Hose clip
^ Transmission crossmember
8. Disconnect the CPA retainers.
9. Disconnect the oxygen sensor electrical connectors (1, 2).

10. Remove the left exhaust manifold pipe nuts.

11. Remove the right exhaust manifold pipe nuts.

12. Remove the exhaust muffler nuts.
13. Remove the catalytic converter.

14. If necessary, remove the oxygen sensors.
Installation Procedure
Notice: Refer to Exhaust System Clearance Notice in Service Precautions.
Notice: Refer to Fastener Notice in Service Precautions.

1. If necessary, install the oxygen sensors.
1.1. Apply anti-seize compound GM P/N 12377953 or equivalent to the threads of the old oxygen sensors.
1.2. Install the oxygen sensors.
^ Tighten the oxygen sensors to 42 Nm (31 ft. lbs.).
2. Install the catalytic convertor.

3. Install NEW exhaust manifold pipe seals to the exhaust manifolds.
4. Install the right exhaust manifold pipe nuts until sung.

5. Install the left exhaust manifold pipe nuts until snug.
6. Tighten the exhaust manifold pipe nuts.
^ Tighten the exhaust manifold pipe nuts to 50 Nm (39 ft. lbs.).

7. Install the exhaust muffler nuts.
^ Tighten the exhaust muffler nuts to 40 Nm (30 ft. lbs.).

8. Connect the oxygen sensor electrical connectors (1, 2).
9. Connect the CPA retainers.
10. Clip the oxygen sensors electrical connectors to the following:
^ Hose clip
^ Transmission crossmember

11. Connect the oxygen sensor electrical connectors.
12. Connect the CPA retainers.
13. Install the clip around the engine harness and the oxygen sensor pigtail.

14. Connect the oxygen sensor electrical connector.
15. If equipped, clip the oxygen sensor connection to the floor reinforcement.
16. Lower the vehicle.