Thermostat: Service and Repair
Thermostat ReplacementRemoval Procedure
Important: The thermostat is not serviceable separately. The water pump inlet and thermostat must be replaced as an assembly.

1. Drain the cooling system.
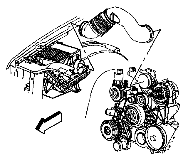
2. Loosen the air cleaner outlet duct clamps at the following locations:
^ Throttle body
^ Mass Airflow/Intake Air Temperature (MAF/IAT) sensor
3. Remove the radiator inlet hose clip from the outlet duct.
4. Remove the air cleaner outlet duct.

5. Reposition the outlet hose clamp at the water pump.
6. Remove the outlet hose from the water pump.

7. Remove the water pump inlet bolts.
8. Remove the water pump inlet and thermostat from the water pump.
Installation Procedure

1. Install the thermostat and water pump inlet to the water pump.
Notice: Refer to Fastener Notice in Service Precautions.
2. Install the water pump inlet bolts.
^ Tighten the water pump inlet bolts to 15 Nm (11 ft. lbs.).

3. Install the outlet hose to the water pump.
4. Position the outlet hose clamp at the water pump.

Important: Align the arrow at the throttle body end of the duct with the throttle body attaching stud.
5. Install the air cleaner outlet duct.
6. Install the radiator inlet hose clip to the outlet duct.
7. Tighten the air cleaner outlet duct clamps at the following locations:
^ Throttle body
^ MAF/IAT sensor
^ Tighten the air cleaner outlet duct clamp screws to 7 Nm (62 inch lbs.).
8. Fill the. cooling system.