Heater Core Replacement - Auxiliary
REMOVAL PROCEDURE
1. Recover the refrigerant from the A/C system. Refer to Refrigerant Recovery and Recharging.
2. Drain the engine coolant. Refer to Draining and Filling Cooling System in Cooling System.
3. Raise the vehicle. Refer to Lifting and Jacking the Vehicle.
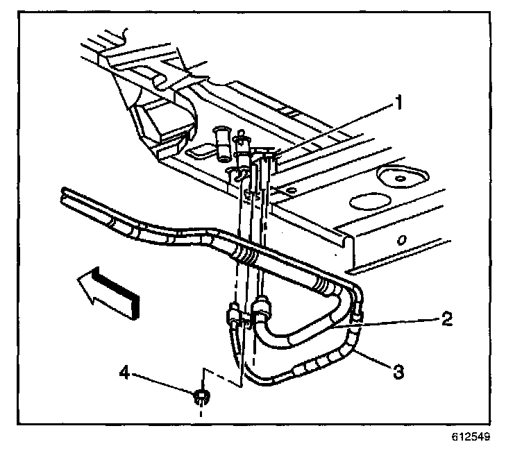
4. Disconnect the heater lines (2, 3) from the auxiliary HVAC module at the underside of the vehicle.

5. Disconnect the air conditioning lines (2, 3) from the auxiliary HVAC module at the underside of the vehicle.

6. Remove the nuts (2) from the studs (1) that secure the auxiliary HVAC module to the underside of the vehicle.
7. Remove the safety stands.
8. Lower the vehicle.

9. Remove the right rear quarter trim panel.
10. Remove the Real Time Damping (RTD) Module. Refer to Electronic Suspension Control Module Replacement (Tahoe/Yukon) or Electronic Suspension Control Module Replacement (Suburban/Yukon XL) in Real Time Damping-RTD.
11. Disconnect the electrical connectors.
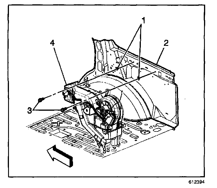
12. Remove the fastener (5) for the upper auxiliary air duct (1). Carefully slide the duct up, into the headliner, until the bottom edge of the duct is above the air distributor duct.

13. Remove the fasteners (3) retaining the rear auxiliary HVAC module to the vehicle.
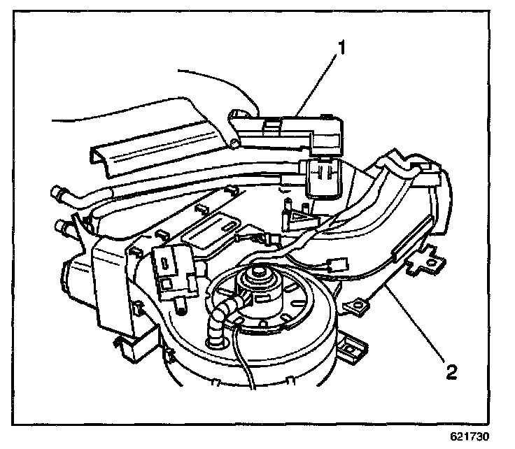
14. Remove the rear auxiliary HVAC module (4) from the vehicle and place it on a work surface.

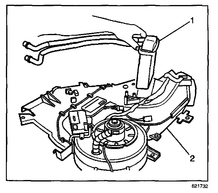
15. Remove the air temperature actuator (1) from the module.

16. Remove the heater core cover (1) from the module.

17. Remove the heater core (1) from the module.
INSTALLATION PROCEDURE

1. Install the heater core (1) to the module.

2. Install the heater core cover (1) to the module.

3. Install the air temperature actuator (1) to the module.

4. Install the auxiliary HVAC module assembly (4) to the vehicle.
5. Install the two bolts (3) inside the vehicle in order to retain the case to the vehicle.

6. Install the upper auxiliary air duct (1) to the air distributor duct. Install the fastener (5).
7. Connect the electrical connectors.
8. Install the RTD Module. Refer to Electronic Suspension Control Module Replacement (Tahoe/Yukon) or Electronic Suspension Control Module Replacement (Suburban/Yukon XL) in Real Time Damping-RTD.
9. Install the right rear quarter trim panel.
10. Raise the vehicle. Refer to Lifting and Jacking the Vehicle.
NOTE: Refer to Fastener Notice in Service Precautions.

11. Install the nuts (2) that secure the auxiliary HVAC module to the vehicle.
Tighten
Tighten the nuts to 9 N.m (80 lb in).

12. Install the air conditioning lines (2, 3) and the nut (4) to the auxiliary HVAC module.
Tighten
Tighten the nut to 16 N.m (12 lb ft).

13. Install the heater lines (2, 3) to the auxiliary HVAC module at the underside of vehicle.
14. Remove the safety stands.
15. Lower the vehicle.
16. Fill the engine coolant. Refer to Draining and Filling Cooling System in Cooling System.
17. Recharge the refrigerant to the system. Refer to Refrigerant Recovery and Recharging.