Coolant Reservoir: Service and Repair
Surge Tank ReplacementRemoval Procedure

1. Drain the cooling system.
2. Remove the air cleaner assembly.
3. Remove the surge tank overflow hose.

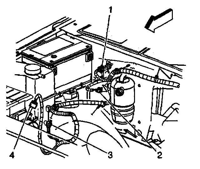
4. Disconnect the low,coolant level switch electrical connector (3).

5. Reposition the surge tank inlet and outlet hose. clamps.
6. If equipped with a 4.3L, 4.8L, 5.3L, 6.0L, or 8.1L engine, remove the surge tank inlet (1) and outlet (2) hoses from the surge tank.

7. If equipped with a 6.6L engine,,remove the surge tank inlet hose (1) from the surge tank.

8. If equipped with a 6.6L engine, remove the surge tank outlet hose from the surge tank.

9. Remove the surge tank bolt and nut.
10. Remove the surge tank.
Installation Procedure

1. Install the surge tank.
Notice: Refer to Fastener Notice in Service Precautions.
2. Install the surge tank bolt and nut.
^ Tighten the surge tank bolt and nut to 9 Nm (80 inch lbs.).

3. If equipped with a 6.6L engine, install the surge tank outlet hose to the surge tank.

4. If equipped with a 6.6L engine, install the surge tank inlet hose (1) to the surge tank.,

5. If equipped with a 4.3L, 4.8L, 5.3L, 6.0L, or 8.1L engine, install the surge tank inlet (1) and outlet (2) hoses to the surge tank.
6. Position the surge tank inlet and outlet hose clamps.

7. Connect the low coolant level switch electrical connector (3).

8. Install the surge tank overflow hose.
9. Install the air cleaner assembly.
10. Fill the cooling system.