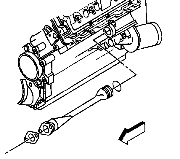
Water Pump Outlet Pipe Replacement
Water Pump Outlet Pipe ReplacementRemoval Procedure

1. Remove the left front fender wheelhouse inner panel (1).
2. Remove the water pump.

3. Remove the water pump outlet pipe from the engine oil cooler assembly.
4. Remove and discard the O-ring seal.
5. Remove the gasket and clean the sealing surface.
Installation Procedure

1. Install a new O-ring seal on the water pump outlet pipe.
2. Lightly lubricate the O-ring seal with engine oil.
3. Install the water pump outlet pipe in the engine oil cooler assembly.
4. Install a new water pump outlet pipe to water pump gasket.
5. Install the water pump.

6. Install the left front fender wheelhouse inner panel (1).