Surge Tank Hose Replacement - Outlet
Surge Tank Hose Replacement - Outlet^ Tools Required
- J 43181 Heater Line Quick Connect Release Tool
Important: The surge tank outlet hose on the 4.3L, 6.6L, and 8.1L engines is part of the radiator outlet hose and may not be serviced separately. The following information applies only to the 4.8L, 5.3L, and 6.0L engines.
Removal Procedure

1. Drain the cooling system.
2. Loosen the air cleaner outlet duct clamps at the following locations:
^ Throttle body
^ Mass Airflow/Intake Air Temperature (MAF/IAT) sensor
3. Remove the radiator inlet hose clip from the outlet duct.
4. Remove the air cleaner outlet duct.

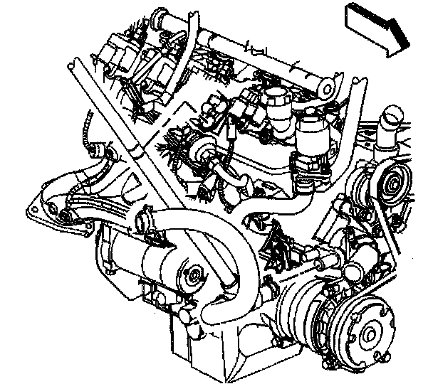
5. If equipped without Regular Production Option (RPO) C36 (auxiliary heater), remove the surge tank/heater outlet hose (1) from the mounting clip.

6. If equipped with RPO C36 (auxiliary heater), remove the surge tank/heater outlet hose (1) from the mounting clip.

7. Install the J 43181 to the surge tank outlet hose.
8. Close the J 43181 around the surge tank outlet hose.
9. Firmly pull the J 43181 into the quick connect end of the outlet hose.

10. If equipped,without RPO C36 (auxiliary heater), firmly grasp the outlet hose. Pull the outlet hose in order to disengage the ' hose from the heater and blower module.

11. If equipped with RPO C36 (auxiliary heater), firmly grasp the outlet hose. Pull the outlet hose in order to disengage the hose from the heater and blower module.

12. Reposition the surge tank outlet hose clamp at the surge tank.
13. Remove the surge tank outlet hose (2) from the surge tank.

14. Reposition the surge tank outlet hose clamp at the water pump.
15. Remove the surge tank outlet. hose from the water pump.
16. Remove the surge tank outlet hose.
Installation Procedure

1. Install the surge tank outlet hose.
2. Install the surge tank outlet hose to the water pump.
3. Position the surge tank outlet hose clamp to the water pump.

4. Install the surge tank outlet hose (2) to the surge tank.
5. Position the surge tank outlet hose clamp to the surge tank.

6. If equipped with RPO C36 (auxiliary heater), connect the surge tank outlet hose to the heater and blower module.

7. If equipped without RPO C36 (auxiliary heater), connect the surge tank outlet hose to the heater and blower module.,
Firmly push the hose onto the heater and blower module pipe until an audible click is heard.

8. If equipped with RPO C36 (auxiliary heater), install the surge tank/heater outlet hose (1) to the mounting clip.

9. If equipped without RPO C36 (auxiliary heater), install the surge tank/heater outlet hose (1) to the mounting clip.

Important: Align the arrow at the throttle body end of the duct with the throttle body attaching stud.
10. Install the air cleaner outlet duct.
11. Install the radiator inlet hose clip to the outlet duct.
Notice: Refer to Fastener Notice in Service Precautions.
12. Tighten the air cleaner outlet duct clamps at the following locations:
^ Throttle body
^ MAF/IAT sensor
^ Tighten the air cleaner outlet duct clamp screws to 7 Nm (62 inch lbs.).
13. Fill the cooling system.