Operation CHARM: Car repair manuals for everyone.

Water Pump: Service and Repair





Water Pump Replacement

Removal Procedure





1. Drain the cooling system.
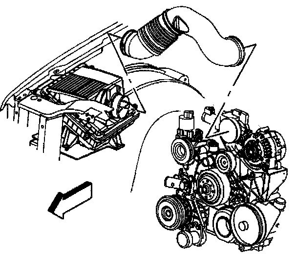
2. Loosen the air cleaner outlet duct clamps at the following locations:
^ Throttle body
^ Mass airflow/intake air temperature (MAF/IAT) sensor
3. Remove the radiator inlet hose clip from the outlet duct.
4. Remove the air cleaner outlet duct.





5. If necessary, remove the engine sight shield.
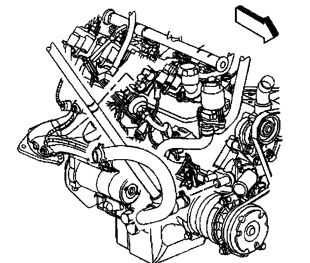
6. Remove the radiator vent inlet hose from the radiator hose clips.





7. Reposition the inlet hose clamp at the water pump.
8. Remove the inlet hose from the water pump.
9. Remove the fan blade.
10. Remove the accessory drive belt.





11. Reposition the outlet hose clamp at the water pump.
12. Remove the outlet hose from the water pump.





13. Reposition the surge tank outlet hose clamp at the water pump.
14. Remove the surge tank outlet hose from the water pump.





15. Reposition the heater inlet hose clamp at the water pump.
16. Remove the heater inlet hose from the water pump.





17. Remove the water pump pulley bolts and pulley, if required.
18. Remove the water pump bolts.
19. Remove the water pump and gaskets.
20. Discard the water pump gaskets.

Installation Procedure

Important: All gaskets surfaces are to be free of oil or other foreign material during assembly.





1. Install the water pump and NEW gaskets.

Notice: Refer to Fastener Notice in Service Precautions.

2. Install the water pump bolts.
2.1. Tighten the water pump bolts a first pass to 15 Nm (11 ft. lbs.).
2.2. Tighten the water pump bolts a final pass to 30 Nm (22 ft. lbs.).
3. Install the water pump pulley and bolts, if required.





4. Install the heater inlet hose to the water pump.
5. Position the heater inlet hose clamp at the water pump.





6. Install the surge tank outlet hose to the water pump.
7. Position the surge tank outlet hose clamp at the water pump.





8. Install the outlet hose to the water pump.
9. Position the outlet hose clamp at the water pump.
10. Install the accessory drive belt.
11. Install the fan blade.





12. Install the inlet hose to the water pump.
13. Position the inlet hose clamp at the water pump.





14. Install the engine vent inlet hose to the radiator hose clips.
15. If necessary, install the engine sight shield.





Important: Align the arrow at the throttle body end of the duct with the throttle body attaching stud.

16. Install the air cleaner outlet duct.
17. Install the radiator inlet hose clip to the outlet duct.
18. Tighten the air cleaner outlet duct clamps at the following locations:
^ Throttle body
^ MAF/IAT sensor
^ Tighten the air cleaner outlet duct clamp screws to 7 Nm (62 inch lbs.).
19. Fill the cooling system.