Intake Manifold Removal
Intake Manifold ReplacementRemoval Procedure
Important: The intake manifold, throttle body, fuel rail, and injectors may be removed as an assembly. If not servicing the individual components, remove the manifold as a complete assembly.

1. Remove the engine sight shield and retainer.
2. Relieve the fuel system pressure.
3. Disconnect the cruise control cable from the throttle blade stud.
4. Remove the cruise control cable from the bracket.

5. Remove the accelerator control cable from the throttle blade.
6. Remove the accelerator control cable from the bracket.

7. Disconnect the following electrical connectors:
- Main ignition coil harness (2).
- Fuel injectors (3)
8. Disconnect the wiring harness clips (1) from the fuel rail.

9. Disconnect the following electrical connectors:
- Main ignition coil harness (1)
- Fuel injectors (3)
- Exhaust gas recirculation (EGR) valve (4)
10. Disconnect the harness clips (2) from the fuel rail.

11. Disconnect the following electrical connectors:
- Manifold absolute pressure (MAP) sensor (1)
- Knock sensor (2)
12. Remove the knock sensor harness electrical connector from the intake manifold.
13. Set the electrical harness aside.

14. Disconnect the following electrical connectors:
- Throttle Position (TP) sensor, if equipped
- Electronic Throttle Control (ETC) motor, if equipped
- Idle Air Control (IAC) valve

15. Disconnect the following electrical connectors:
- Purge solenoid (1)
- Generator (3)
16. Remove the wiring harness bracket nut.
17. Remove the harness bracket from the stud.
18. Reposition the engine wiring harness.

19. Reposition the coolant air bleed hose at the throttle body.
20. Remove the coolant air bleed hose from the throttle body.

21. Reposition the radiator vent inlet hose clamp at the throttle body.
22. Remove the radiator vent inlet hose from the throttle body.

23. Remove the Positive Crankcase Ventilation (PVC) hose from the throttle body and rocker arm cover.

24. Remove the PCV hose (with valve) from the intake manifold and rocker arm cover.

25. Remove the following EGR pipe bolts:
- Intake manifold (1)
- Cylinder head (2)
- Exhaust manifold (3)

26. Remove the EGR pipe (with valve).
27. Remove the EGR pipe gasket from the exhaust manifold.
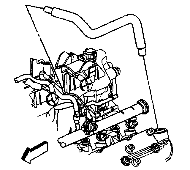
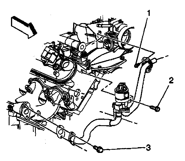
28. If equipped, remove the vacuum brake booster hose from the rear of the intake manifold.

29. Remove the Evaporative Emission (EVAP) purge solenoid vent tube by performing the following:
29.1. Remove the EVAP tube end (2) from the solenoid (1).
29.2. Squeeze the EVAP pipe quick connect fitting (3) retainer together.
29.3. Remove the EVAP tube end (3) from the vapor pipe.
30. Disconnect the fuel line quick connect fittings.

31. Remove the intake manifold bolts.
32. Remove the intake manifold.

33. Remove the intake manifold gaskets (1) from the intake manifold.
34. Discard the old intake manifold gaskets.
35. Clean the gasket surfaces of the EGR pipe and the exhaust manifold.
36. If replacement of the intake manifold is required, remove the following components:
- Throttle body.
- Fuel rail and injectors.

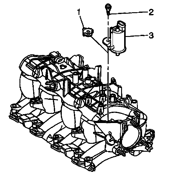
37. If replacement of the intake manifold is required, remove the MAP sensor (1).

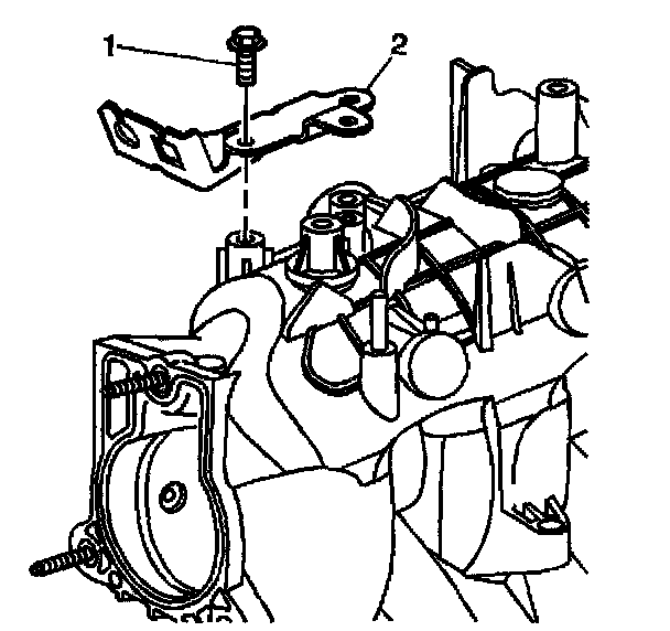
38. If replacement of the intake manifold is required, remove the accelerator control cable bracket bolts (1) and bracket (2).

39. If replacement of the intake manifold is required, remove the EVAP solenoid bolt (2), solenoid (3) and isolator (1).