Intake Manifold Installation
Installation ProcedureNotice: Refer to Fastener Notice in Service Precautions.

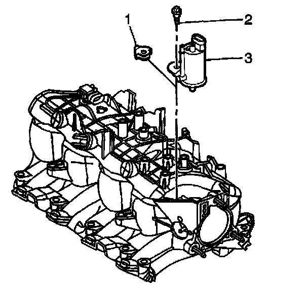
1. If replacement of the intake manifold was required, install the EVAP solenoid isolator (1), solenoid (3) and bolt (2) to the NEW intake manifold.
- Tighten the EVAP solenoid bolt to 10 Nm (89 inch lbs.).

2. If replacement of the intake manifold was required, install the accelerator control cable bracket (2) and bolts (1) to the NEW intake manifold.
- Tighten the accelerator control cable bracket bolts to 10 Nm (89 inch lbs.).

3. If replacement of the intake manifold was required, install the MAP sensor (1) to the NEW intake manifold.
4. If replacement of the intake manifold was required, install the following components to the NEW intake manifold:
- Throttle body.
- Fuel rail and injectors.
5. Install NEW intake manifold gaskets (1) to the intake manifold.

6. Install the intake manifold.

7. Apply a 5 mm (0.20 inch) band of threadlock GM P/N 12345382 or equivalent to the threads of the intake manifold bolts.

8. Install the intake manifold bolts.
8.1. Tighten the intake manifold bolts a first pass in sequence to 5 Nm (44 inch lbs.).
8.2. Tighten the intake manifold bolts a final pass in sequence to 10 Nm (89 inch lbs.).

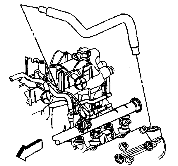
9. Install the PCV hose (with valve).

10. Install the vacuum brake booster hose to the rear of the intake manifold, if equipped.

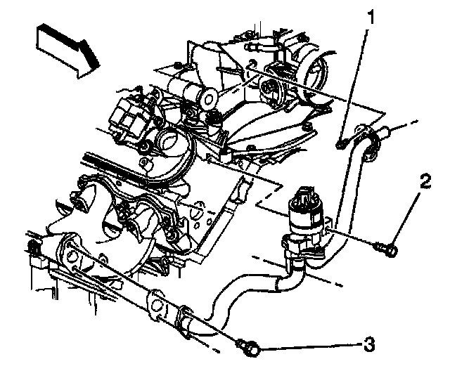
11. Position a NEW EGR pipe gasket on the exhaust manifold.
12. Install the EGR pipe (with valve).
13. Install the following EGR pipe bolts until snug:
- Intake manifold (1)
- Cylinder head (2)
- Exhaust manifold (3)
14. Tighten the EGR pipe bolts.
- Tighten the EGR valve pipe-to-intake manifold bolts to 10 Nm (89 inch lbs.).
- Tighten the EGR valve pipe-to-cylinder head bolts to 50 Nm (37 ft. lbs.).
- Tighten the EGR valve pipe-to-exhaust manifold bolts to 30 Nm (22 ft. lbs.).
15. Route the electrical harness into position over the engine.

16. Connect the knock sensor harness electrical connector to the intake manifold.
17. Connect the following electrical connectors.
- MAP sensor (1)
- Knock sensor (2)

18. Connect the following electrical connectors:
- Main ignition coil harness (1)
- Fuel injectors (3)
- EGR valve (4)
19. Connect the harness clips (2) to the fuel rail.

20. Connect the following electrical connectors:
- Main ignition coil harness (2).
- Fuel injectors (3)
21. Connect the wiring harness clips (1) to the fuel rail,

22. Install the accelerator control cable to the bracket.
23. Install the accelerator control cable to the throttle blade.

24. Install the cruise control cable to the bracket.
25. Connect the cruise control cable to the throttle blade stud.
26. Install the engine sight shield and retainer.