Oil Pan: Service and Repair
Oil Pan ReplacementRemoval Procedure

1. if equipped with Four Wheel Drive (4WD), remove the front differential.
2. Remove the starter motor.
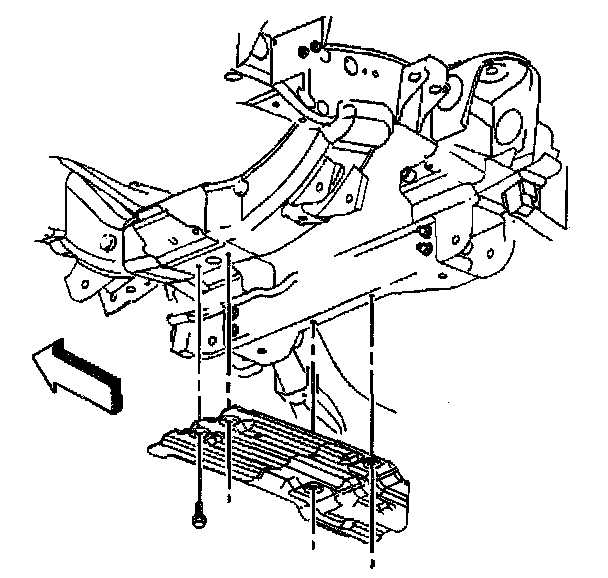
3. Remove the engine shield bolts.
4. Remove the engine shield.

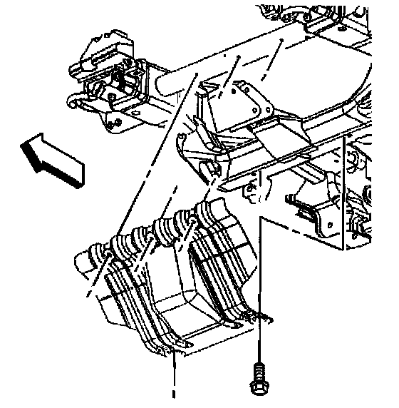
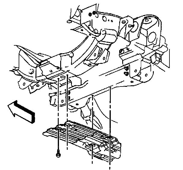
5. If equipped, Remove the oil pan skid plate bolts.
6. Remove the oil pan skid plate.

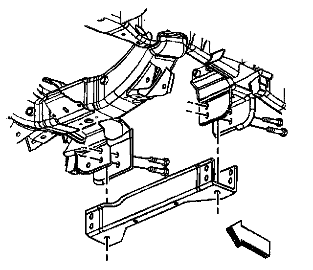
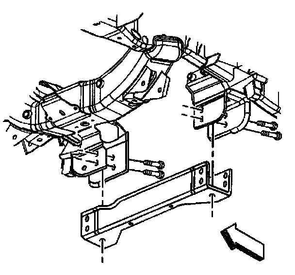
7. Remove the crossbar bolts.
8. Remove the crossbar.

9. Remove the transmission cover bolt and cover.
10. Drain the engine oil and remove the engine oil filter.
11. Re-install the drain plug and oil filter until snug.

12. If equipped with the 4L60-E automatic transmission, remove the transmission bolt and stud on the right side.

13. Remove the bottom bolt on the left side.

14. If equipped with the 4L80-E automatic transmission, remove the transmission converter cover bolts.
15. If equipped With a manual transmission, remove the two bottom bellhousing bolts.

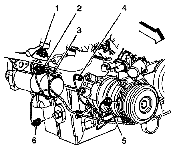
16. Disconnect the oil level sensor electrical connector (6).

17. Remove the battery cable channel bolt.
18. Slide the channel pin out of the oil pan tab.

19. Remove the following from the positive battery cable clip:
- Engine wiring harness clip
- Positive battery cable clip

20. Remove the engine oil cooler lines from the positive battery cable clip.
21. Remove the positive battery cable clip bolt and clip.

22. Remove the oil pan bolts.
23. Remove the oil pan.

Important: DO NOT allow foreign material to enter the oil passages of the oil pan, cap or cover the openings as required.

24. Drill (3) out the oil pan gasket retaining rivets (2), if required.
25. Remove the gasket (1) from the pan.
26. Discard the gasket and rivets.
27. Clean and inspect the engine oil pan.
Installation Procedure
Important: The alignment of the structural oil pan is critical. The rear bolt hole locations of the oil pan provide mounting points for the transmission bellhousing. To ensure the rigidity of the powertrain and correct transmission alignment, it is important that the rear of the block and the rear of the oil pan must NEVER protrude beyond the engine block and transmission bellhousing plane. Do not reuse the oil pan gasket. It is not necessary to rivet the NEW gasket to the oil pan.

1. Apply a 5 mm (0.20 inch) bead of sealant GM P/N 12378190 or equivalent 20 mm (0.80 inch) long to the engine block. Apply the sealant directly onto the tabs of the front cover gasket that protrudes into the oil pan surface.

2. Apply a 5 mm (0.20 inch) bead of sealant GM P/N 12378190 or equivalent 20 mm (0.8 inch) long to the engine block. Apply the sealant directly onto the tabs of the rear cover gasket that protrudes into the oil pan surface.

Important: Be sure to align the oil gallery passages in the oil pan and engine block properly with the oil pan gasket.
3. Preassemble the oil pan gasket to the pan.
- Install the gasket onto the pan.
- Install the oil pan bolts to the pan and through the gasket.
4. Install the oil pan, gasket and bolts to the engine block.
5. Tighten the oil pan bolts until snug. Do not overtighten.

6. Install the two bottom bellhousing bolts until snug, if equipped with a manual transmission.

7. Install the transmission converter cover bolts until snug, if equipped with the 4L80-E automatic transmission.

8. Install the transmission bolt and stud on the right side until snug, If equipped with the 4L60-E automatic transmission.

Notice: Refer to Fastener Notice in Service Precautions.
9. Install the bottom bolt on the left side until snug.
9.1. Tighten the oil pan and oil pan-to-oil pan front cover bolts to 25 Nm (18 ft. lbs.).
9.2. Tighten the oil pan-to-rear cover bolts to 12 Nm (106 inch lbs.).
9.3. Tighten the bellhousing, converter cover, and transmission bolts/stud to 50 Nm (37 ft. lbs.).

10. Install the positive battery cable clip and bolt to the oil pan.
- Tighten the positive battery cable clip bolt to 9 Nm (80 inch lbs.).
11. Install the engine oil cooler lines to the positive battery cable clip.

12. Install the following to the positive battery cable clip:
- Engine wiring harness clip
- Positive battery cable clip

13. Slide the channel pin in to the oil pan tab.
14. Install the battery cable channel bolt.
- Tighten the battery cable channel bolt to 12 Nm (106 inch lbs.).

15. Connect the oil level sensor electrical connector (6).

16. Install the transmission cover and bolt.
- Tighten the transmission cover bolt to 12 Nm (106 inch lbs.).

17. Install the crossbar.
18. Install the crossbar bolts.
- Tighten the crossbar bolts to 100 Nm (74 ft. lbs.).

19. If equipped, install the oil pan skid plate.
20. Install the oil pan skid plate bolts.
- Tighten the oil pan skid plate bolts to 20 Nm (15 ft. lbs.).

21. Install the engine shield.
22. Install the engine shield bolts.
- Tighten the engine shield bolts to 20 Nm (15 ft. lbs.).
23. Install the starter motor.
24. If equipped with 4WD, install the front differential.
25. Install new engine oil and a new oil filter.