Engine Oil Dip Stick - Dip Stick Tube: Service and Repair
Oil Level Indicator and Tube ReplacementRemoval Procedure

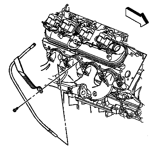
1. Remove the oil level indicator from the tube.

2. Remove the oil level indicator tube bolt.
3. Remove the oil level indicator tube from the engine block.
Important: The O-ring seal may be reused if not cut or damaged.
4. Inspect the O-ring seal for cuts or damage.
5. Remove the O-ring seal from the tube (if required).
Installation Procedure

1. Lubricate the O-ring seal with clean engine,oil.
2. Install the O-ring seal onto the oil level indicator tube.
3. Install the oil level indicator tube behind the exhaust manifold.
4. Raise and suitably support the vehicle. Refer to Vehicle Lifting.
5. Install the oil level indicator tube into the block. The tube must be installed with the collar flush to the block.

6. Lower the vehicle.
Notice: Refer to Fastener Notice in Service Precautions.
7. Install the oil level indicator tube bolt
- Tighten the oil level indicator tube bolt to 25 Nm (18 ft. lbs.).
8. Install the oil level indicator to the tube.