Valve Rocker Arm Cover Replacement (Left)
Valve Rocker Arm Cover Replacement - LeftRemoval Procedure

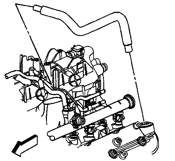
1. Remove the engine sight shield, if required.
2. Remove the Connector Position Assurance (CPA) lock.
3. Disconnect the main electrical connector (2) to the ignition coil wire harness.
4. Remove the harness clips (1).
5. Reposition the engine harness, if necessary.
6. Remove the spark plug wires from the ignition coils.
- Twist each plug wire 1/2 turn.
- Pull only on the boot in order to remove the wire from the ignition coil.

7. Remove the ignition coil bracket studs from the rocker arm cover.
8. Remove the ignition coils and bracket from the rocker arm cover.

9. Remove the Positive Crankcase Ventilation (PVC) hose from the rocker arm cover.

10. Remove the valve rocker arm cover bolts.
11. Remove the valve rocker arm cover.

12. Remove the gasket (1) from the rocker cover.
13. Discard the OLD gasket.
14. Clean and inspect the rocker arm cover.
Installation Procedure

Important:
- All gasket surfaces should be free of oil an/or other foreign material during assembly.
- DO NOT reuse the valve rocker arm cover gasket.
- The valve rocker arm cover bolt grommets may be reused.
- If the PCV valve grommet has been removed from the rocker cover, install a NEW grommet during assembly.
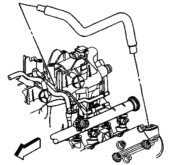
1. Install a NEW rocker cover gasket (1) into the groove of the valve rocker arm cover.

2. Install the valve rocker arm cover onto the cylinder head.
3. Install new rocker arm cover grommets, if necessary.
Notice: Refer to Fastener Notice in Service Precautions.
4. Install the rocker arm,cover bolts.
- Tighten the valve rocker arm cover bolts to 12 Nm (106 inch lbs.).

5. Install the PCV hose to the rocker arm cover.

6. Apply threadlock GM P/N 12345382 or equivalent to the threads of the bracket bolts.
7. Install the ignition coils and bracket to the rocker arm cover.
8. Install the ignition coil bracket studs to the rocker arm cover.
- Tighten the ignition coil bracket studs to 12 Nm (106 inch lbs.).

9. Install the spark plug wires to the ignition coils.
10. Position the engine harness, if necessary.
11. Install the harness clips (1).
12. Connect the main electrical connector (2) to the ignition coil wire harness.
13. Install the CPA lock.
14. Install the engine sight shield, if required.