Engine Valley Cover: Service and Repair
Engine Valley Cover ReplacementRemoval Procedure

1. Remove the intake manifold.
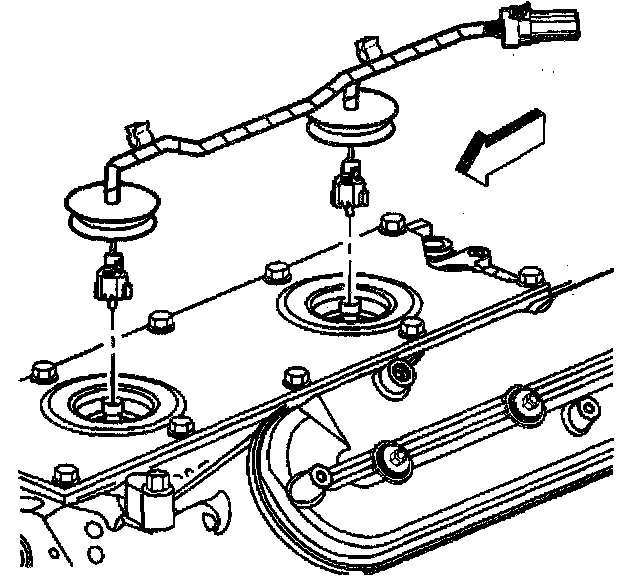
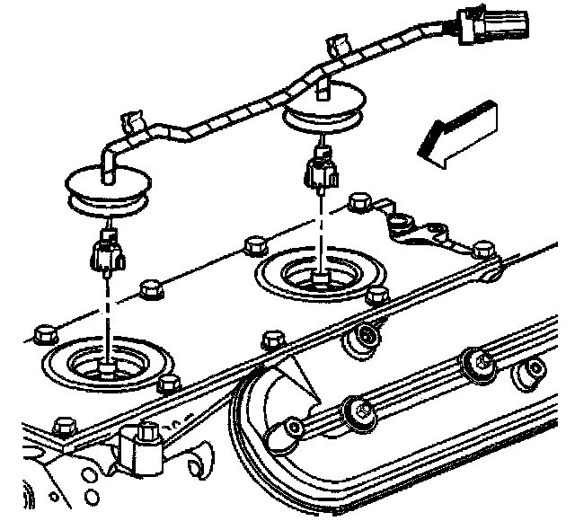
2. Gently pry up the rubber covers.
3. Disconnect the knock sensor electrical connectors.

4. Remove the knock sensors.

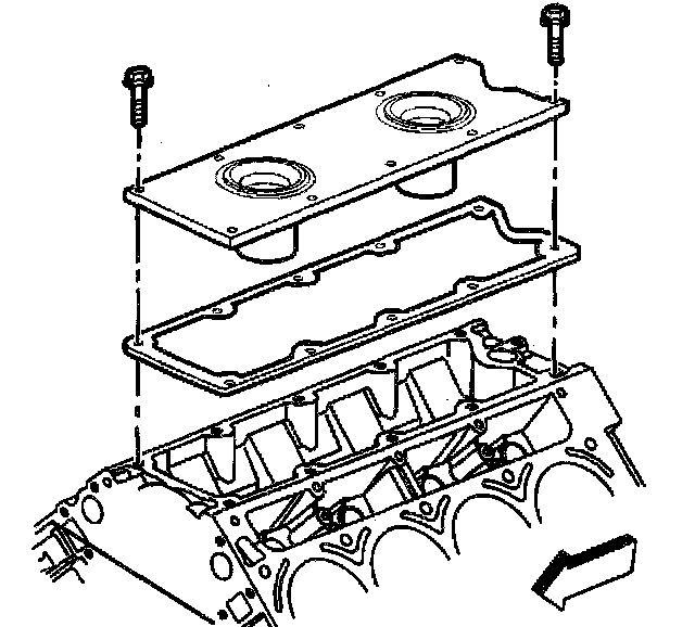
5. Remove the engine valley cover bolts.
6. Remove the engine valley cover and gasket.
7. Discard the old gasket.

8. Remove the knock sensor oil seals (1) from the cover (2).
9. Clean and inspect the engine valley cover.
Installation Procedure
Important: All gasket surfaces should be free of oil or other foreign material during assembly.

1. Lubricate the NEW knock sensor seals (1) with clean engine oil.
2. Install the knock sensor oil seals (1) into the engine valley cover (2).

3. Install the engine valley cover and a NEW gasket onto the engine block.
Notice: Refer to Fastener Notice in Service Precautions.
4. Install the engine valley cover bolts.
- Tighten the engine valley cover bolts to 25 Nm (18 ft. lbs.).

5. Install the knock sensors.
- Tighten the knock sensors to 20 Nm (15 ft. lbs.).

6. Connect the knock sensor electrical connectors.
7. Push down on the rubber covers.
8. Install the intake manifold.