Coolant Heater Cord Replacement
Coolant Heater Cord ReplacementRemoval Procedure

1. Raise and suitably support the vehicle. Refer to Vehicle Lifting.
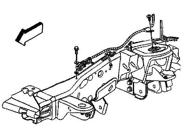
2. Disconnect the coolant heater electrical connector (2).

3. Remove the coolant heater cord retainer and bolts.
4. Remove the coolant heater cord.
Installation Procedure

1. Install the coolant heater cord.
Notice: Refer to Fastener Notice in Service Precautions.
2. Install the coolant heater cord bolts and retainer.
- Tighten the coolant heater cord bolts to 8 Nm (71 inch lbs.).

3. Connect the coolant heater electrical connector (2).
4. Lower the vehicle.