Crankshaft Seal Retainer: Service and Repair
Engine Rear Cover Replacement- Tools Required
- J 41476 Front and Rear Cover Alignment (at crankshaft seal area)
Removal Procedure

1. Remove the engine flywheel.
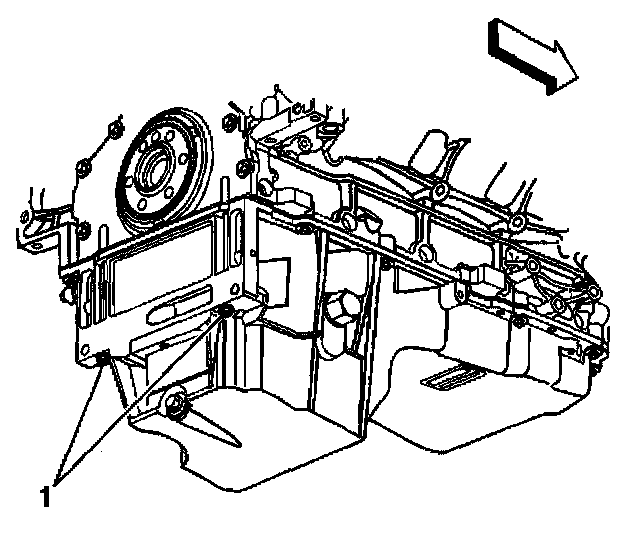
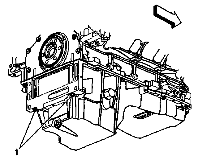
2. Remove the oil pan-to-rear cover bolts (1).
3. Remove the rear cover bolts.
4. Remove the rear cover and gasket.

5. Discard the rear cover gasket.
6. Clean and inspect the rear cover.
Installation Procedure

Important:
- Do not reuse the crankshaft oil seal or rear cover gasket.
- Do not apply any type of sealant to the rear cover gasket (unless specified).
- The special tool in this procedure is used to properly center the crankshaft rear oil seal.
- The crankshaft rear oil seal will be installed after the rear cover has been installed and aligned.
- Install the rear cover without the crankshaft oil seal.
- All gasket surfaces should be free of oil or other foreign material during assembly.
- The crankshaft rear oil seal MUST be centered in relation to the crankshaft.
- An improperly aligned rear cover may cause premature rear oil seal wear and/or engine assembly oil leaks.
1. Apply a 5 mm (0.20 inch) bead of sealant GM P/N 12378190 or equivalent 20 mm (0.80 inch) long to the oil pan to engine block junction.

2. Install the rear cover gasket and cover.
3. Install the rear cover bolts until snug. Do not overtighten.

4. Install the oil pan-to-rear cover bolts (1) until snug. Do not overtighten.

5. Rotate the crankshaft until two opposing flywheel bolt holes are parallel to the oil pan surface.
Important: The tapered legs of the alignment tool must enter the rear cover oil seal bore.
6. Install the J 41476 and bolts onto the rear of the crankshaft.
Notice: Refer to Fastener Notice in Service Precautions.
7. Tighten the J 41476 mounting bolts until snug. Do not overtighten.
7.1. Tighten the oil pan-to-rear cover bolts to 12 Nm (106 inch lbs.).
7.2. Tighten the engine rear cover bolts to 25 Nm (18 ft. lbs.).
8. Remove the J 41476.
9. Install a NEW crankshaft rear oil seal.
10. Install the engine flywheel.