Operation CHARM: Car repair manuals for everyone.

Power Brake Booster Outlet Hose Replacement


Removal Procedure

Notice: Do not start the vehicle with any power steering gear inlet or outlet hoses disconnected. When disconnected, plug or cap all openings of components. Failure to do so could result in contamination or loss of power steering fluid and damage to the system.





1. Install a drain pan under the vehicle.
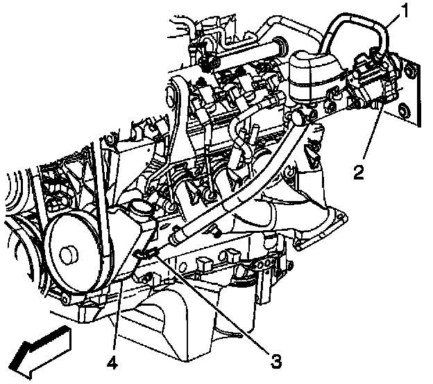
2. Remove the brake booster outlet hose (1) from the brake booster (2).
3. Remove the clamp retaining the brake booster outlet hose to the power steering pump.
4. Remove the brake booster outlet hose from the vehicle.


Installation Procedure

Notice: The inlet and outlet hoses must not be twisted during installation. Do not bend or distort the inlet or outlet hoses to make installation easier. Failure to follow these procedures could result in component damage.





1. Route the hose in the same position the hose occupied prior to removal.
2. Install the brake booster outlet hose (1) to the brake booster (2).
Position the clamp at the end of the hose.
3. Install the brake booster outlet hose to the power steering pump (4).
Position the clamp at the end of the hose.
4. Remove the drain pan from under the vehicle.
5. Bleed the power steering system. Refer to Bleeding the Power Steering System.