Operation CHARM: Car repair manuals for everyone.

Power Brake Booster Inlet Hose Replacement


Removal Procedure

Notice: Refer to Power Steering Hose Disconnected Notice in Service Precautions.





1. Install a drain pan under the vehicle.
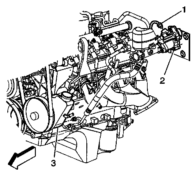
2. Remove the brake booster inlet hose (1) from the brake booster (2).
3. Remove the brake booster inlet hose from the power steering pump.
4. Remove the brake booster inlet hose from the vehicle.


Installation Procedure

Notice: Refer to Installing Hoses Without Twists or Bends Notice in Service Precautions.





1. Route the hose in the same position the hose occupied prior to removal.
2. Install the brake booster inlet hose (1) to the brake booster (2).

Notice: Refer to Fastener Notice in Service Precautions.

3. Install the brake booster inlet hose to the power steering pump.
- Tighten the brake booster inlet hose fittings to 27 Nm (20 ft. lbs.).
4. Remove the drain pan from under the vehicle.
5. Bleed the power steering system. Refer to Bleeding the Power Steering System.