With Hydroboost
Removal Procedure

1. Remove the upper grille baffle.
2. Remove the front grille. Refer to Grille Replacement in Body and Frame.

Notice: Refer to Power Steering Hose Disconnected Notice in Service Precautions.
3. Place a drain pan under the vehicle.
4. Siphon the fluid from the reservoir to prevent excess spillage.
5. Remove the clamp retaining the power steering cooler inlet hose (3) to the power steering gear (2).
6. Remove the clamp retaining power steering cooler outlet hose (5) to the power steering pump (1).

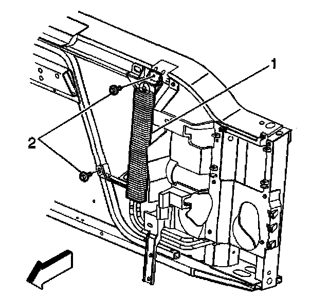
7. Remove the bolts (2) retaining the power steering cooler from the radiator support.
8. Remove the power steering cooler from the vehicle.
Installation Procedure
Notice: Refer to Fastener Notice in Service Precautions.

1. Install the power steering cooler (1) to the radiator support.
- Tighten the bolts retaining the power steering cooler to 5 Nm (44 inch lbs.).

2. Install the power steering cooler outlet hose (3) to the power steering pump (2).
Install the retaining clamp.
3. Install the power steering inlet hose (5) to the power steering gear (1).
Install the retaining clamp.
4. Fill and bleed the power steering system. Refer to Bleeding the Power Steering System.
5. Inspect all the hose connections for leaks.

6. Install the front grille. Refer to Grille Replacement in Body and Frame.
7. Install the upper grille baffle.