AIR Cleaner Assembly Replacement
AIR CLEANER ASSEMBLY REPLACEMENTREMOVAL PROCEDURE

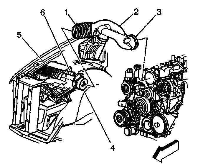
1. Loosen the clamps on the air intake duct (2) at the throttle body (3) and at the mass air flow/intake air temperature (MAF/IAT) sensor (1).
2. Remove the air intake duct (2).
3. Disconnect the MAF/IAT sensor (4) connector.
4. Loosen the clamp securing the MAF/IAT sensor to the air cleaner assembly.
5. Remove the MAF/IAT sensor (4).

6. Pull up on the air cleaner assembly (1) to release the retainers from the air cleaner adaptor (2).
INSTALLATION PROCEDURE

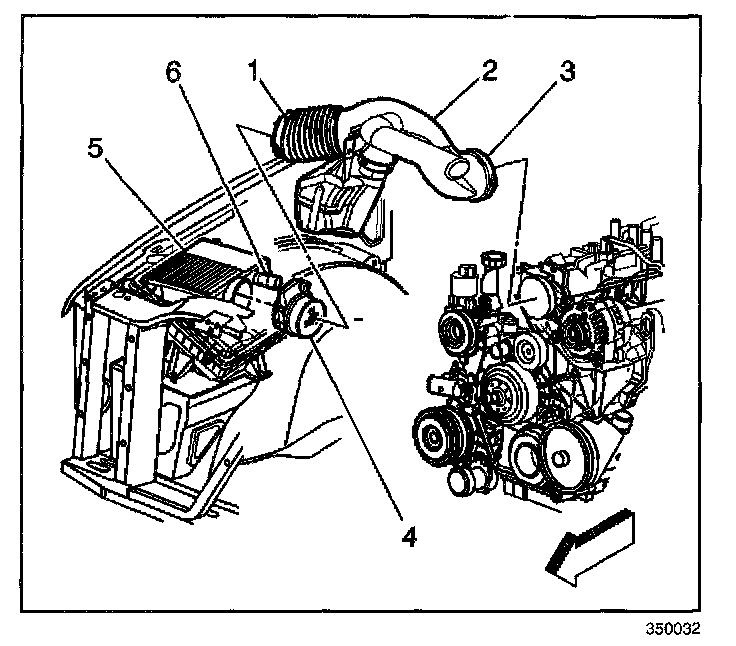
1. Position the air cleaner assembly (1) onto the air cleaner adaptor (2). Ensure the retainers fit properly into the air cleaner adaptor.
2. Secure the air cleaner assembly (1) onto the air cleaner adaptor (2).
IMPORTANT: If the mass air flow/intake air temperature (MAF/IAT) sensor is installed backwards the fuel system goes rich. An arrow (2) cast into the plastic portion of the sensor indicates proper air flow direction. The arrow must point toward the engine.

3. Install the MAF/IAT sensor to the air cleaner assembly.

4. Secure the clamps at the MAF/IAT sensor (4) and the air cleaner assembly (5).
5. Connect the MAF/IAT connector.
6. Install the air intake duct (2).
7. Tighten the clamps (1, 3) on the air intake duct (2) at the throttle body and at the MAF/IAT sensor (4).