Fuel Tank Replacement (Rear Tank)
REMOVAL PROCEDURE
1. Relieve the fuel system pressure. Refer to the Fuel Pressure Relief Procedure.
2. Lower and remove the under chassis mounted spare tire.
3. Raise the vehicle. Refer to Lifting and Jacking the Vehicle.
4. Remove the rear crossmember that holds the spare tire.
5. Drain the fuel tank. Refer to Fuel Tank Draining Procedure (Pickup) or Fuel Tank Draining Procedure (Utility Single Tank) or Fuel Tank Draining Procedure (Utility Dual Tank Front) or Fuel Tank Draining Procedure (Utility Dual Tank Rear).
6. Disconnect the rear chassis fuel pipe (2) at the fuel sender (1).
7. Disconnect the fuel sender electrical connectors.
8. Disconnect the evaporative emission (EVAP) pipes at the rear tank EVAP pipes (5).
9. Cap the fuel and EVAP pipes in order to prevent possible fuel system contamination.

10. Disconnect the fuel fill pipe ground strap.

11. Loosen the rear tank to front tank fuel fill hose clamp (3).
12. Disconnect the fuel fill hose (2) from the rear fuel tank.

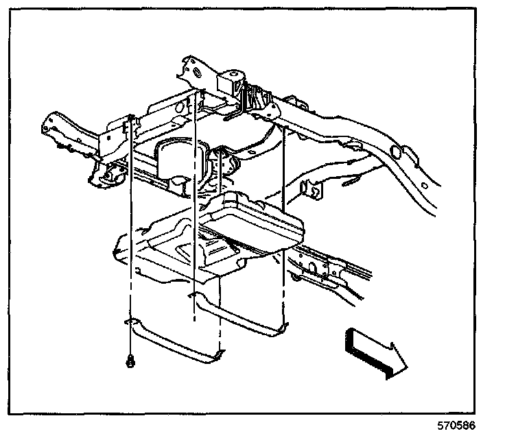
13. With the aid of an assistant, support the fuel tank.
NOTE: Refer to Damage to Fuel Tank Straps Notice in Service Precautions.
14. Remove the fuel tank strap attaching bolts.
15. Remove the fuel tank straps.
16. Remove the fuel tank.

17. Place the fuel tank in a suitable work area.
18. Remove the EVAP pipes from the fuel tank roll over valves (1, 3) and the retaining clips (2).
19. Remove the fuel sender assembly from the fuel tank.
20. Remove the fuel fill hose from the fuel tank.
INSTALLATION PROCEDURE

1. Connect the EVAP pipe to the fuel tank roll over valves (1, 3) and the retaining clips (2).
2. Install the fuel sender assembly to the fuel tank.
NOTE: Refer to Fastener Notice in Service Precautions.
3. Install the fuel till hose to the fuel tank.
Tighten
Tighten the hose clamp to 2.5 N.m (22 lb in).

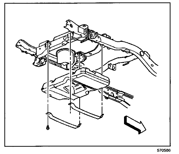
4. Install the fuel tank.
5. Install the fuel tank straps.
6. Install the fuel tank strap attaching bolts.
Tighten
Tighten the bolts to 40 N.m (30 lb ft).

7. Connect the fuel fill hose (2) to the rear fuel tank.
Tighten
Tighten the fuel till hose clamp (3) to 2.5 N.m (22 lb in).

8. Connect the fuel till pipe ground strap.
Tighten
Tighten the fuel fill pipe ground strap bolt to 9 N.m (80 lb in).

9. Connect the vent hose (3) to the vent pipe (1).
Tighten
Tighten the vent hose clamp (2) to 2.5 N.m (22 lb in).

10. Remove the caps from the fuel and EVAP pipes.
11. Connect the EVAP pipes at the rear fuel tank EVAP pipes (5).
12. Connect the fuel sender electrical connectors.
13. Connect the rear chassis fuel pipe (2) to the fuel sender (1).
14. Install the rear crossmember that holds the spare tire.
15. Lower the vehicle.
16. Install and raise into position the under chassis mounted spare tire.
17. Refill the fuel tank.
18. Install the fuel filler cap.
19. Connect the negative battery cable.
20. Use the following procedure in order to inspect for leaks:
20.1. Turn ON the ignition, with the engine OFF, for 2 seconds.
20.2. Turn OFF the ignition for 10 seconds.
20.3. Turn ON the ignition, with the engine OFF.
20.4. Inspect for fuel leaks.
21. Install the engine sight shield.