Fuel Tank Replacement (Front Tank)
REMOVAL PROCEDURE
1. Relieve the fuel system pressure. Refer to Fuel Pressure Relief Procedure.
2. Raise the vehicle. Refer to Lifting and Jacking the Vehicle.
3. Drain the fuel tank. Refer to Fuel Tank Draining Procedure (Pickup) or Fuel Tank Draining Procedure (Utility Single Tank) or Fuel Tank Draining Procedure (Utility Dual Tank Front) or Fuel Tank Draining Procedure (Utility Dual Tank Rear).
4. Remove the evaporative emission (EVAP) canister.

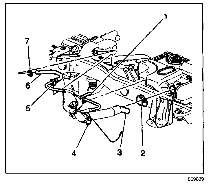
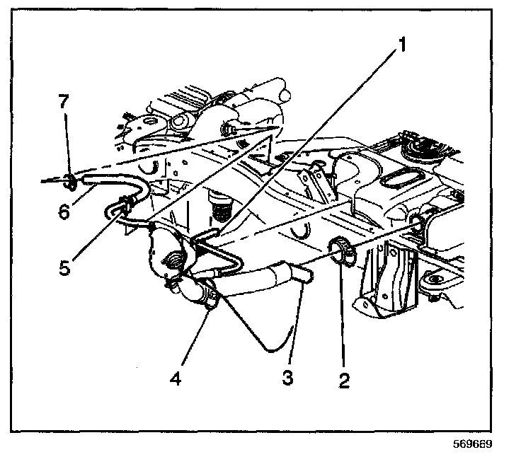
5. Disconnect the EVAP vent pipe (3) at the fuel tank clip (5).

6. Loosen the vent hose clamp (7).
7. Disconnect the vent hose (6) from the fuel tank.

8. Disconnect the fuel fill hose (2) from the fuel tank.

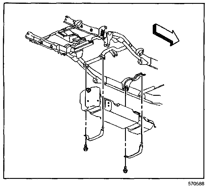
9. With the aid of an assistant support the fuel tank.
NOTE: Refer to Damage to Fuel Tank Straps Notice in Service Precautions.
10. Remove the fuel tank strap attaching bolts.
11. Remove the fuel tank straps.
12. Carefully lower the rear of the fuel tank slightly.
13. Remove the fuel sender cover on the suburban only.

14. Disconnect the fuel feed, return, and EVAP pipes (1, 2,3) at the fuel sender.
15. Disconnect the fuel sender and the fuel pressure sensor electrical connectors.
16. Remove the fuel tank.
17. Place the fuel tank in a suitable work area.

18. Disconnect the EVAP pipe from the fuel tank roll over valves (2, 4) and the retaining clips (1).
19. Remove the fuel sender assembly from the fuel tank.
20. Cap the fuel and EVAP pipes in order to prevent possible fuel system contamination.
INSTALLATION PROCEDURE

1. Connect the EVAP pipe to the fuel tank roll over valves (2, 4) and the retaining clips (1).
2. Install the fuel sender assembly to the fuel tank.

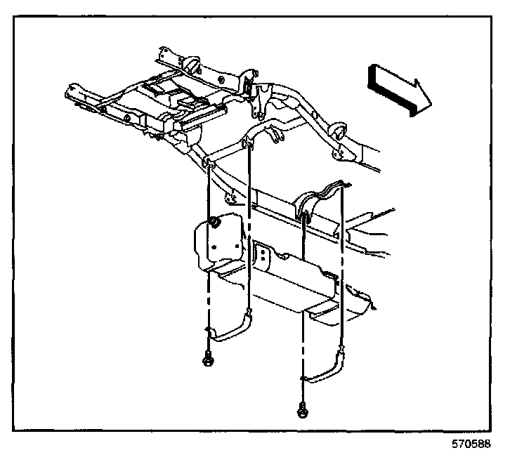
3. With the aid of an assistant, support and partially raise the fuel tank front end first.
4. Connect the fuel sender and the fuel pressure sensor electrical connectors.
5. Connect the fuel feed, return, and EVAP pipes (1, 2, 3) at the fuel sender.
6. Install the fuel sender cover on the suburban only.

7. Fully raise the fuel tank.
8. Install the fuel tank straps.
NOTE: Refer to Fastener Notice in Service Precautions.
9. Install the fuel tank strap attaching bolts.
Tighten
Tighten the bolts to 40 N.m (30 lb ft).

10. Connect the vent hose (6) to the fuel tank.
Tighten
Tighten the vent hose clamp (7) to 2.5 N.m (22 lb in).

11. Connect the fuel fill hose (2) to the fuel tank.
Tighten
Tighten the fuel fill hose clamp (1) to 2.5 N.m (22 lb in).

12. Connect the EVAP vent pipe to the fuel tank clip (5).

13. Install the EVAP canister.
14. Lower the vehicle.
15. Refill the fuel tank.
16. Install the fuel filler cap.
17. Connect the negative battery cable.
18. Use the following procedure in order to inspect for leaks:
18.1. Turn ON the ignition, with the engine OFF, for 2 seconds.
18.2. Turn OFF the ignition for 10 seconds.
18.3. Turn ON the ignition, with the engine OFF.
18.4. Inspect for fuel leaks.
19. Install the engine sight shield.