Front - Cab/Chassis
REMOVAL PROCEDURE
1. Relieve the fuel system pressure. Refer to the Fuel Pressure Relief Procedure.
2. Raise the vehicle. Refer to Lifting and Jacking the Vehicle .
3. Drain the fuel tank. Refer to Fuel Tank Draining Procedure (Pickup) or Fuel Tank Draining Procedure (Utility Single Tank) or Fuel Tank Draining Procedure (Utility Dual Tank Front) or Fuel Tank Draining Procedure (Utility Dual Tank Rear).
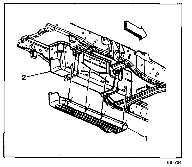
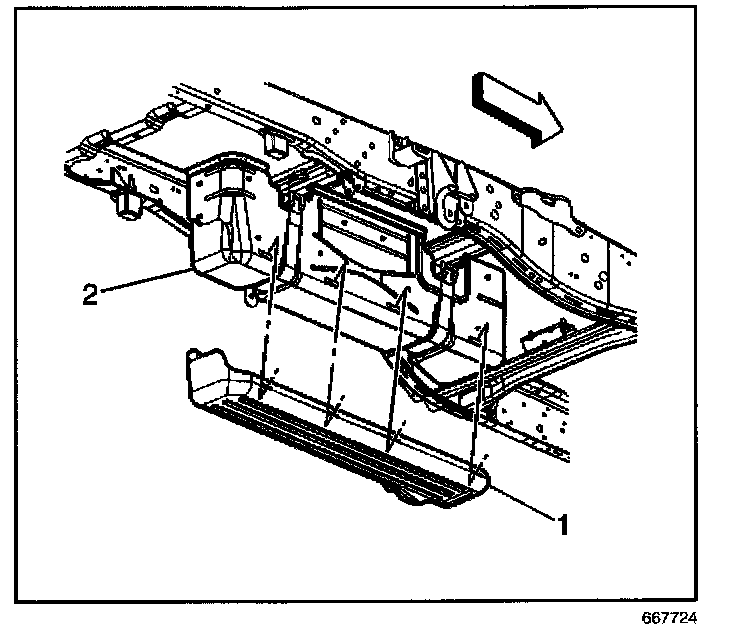
4. Remove the fuel tank shield (2).

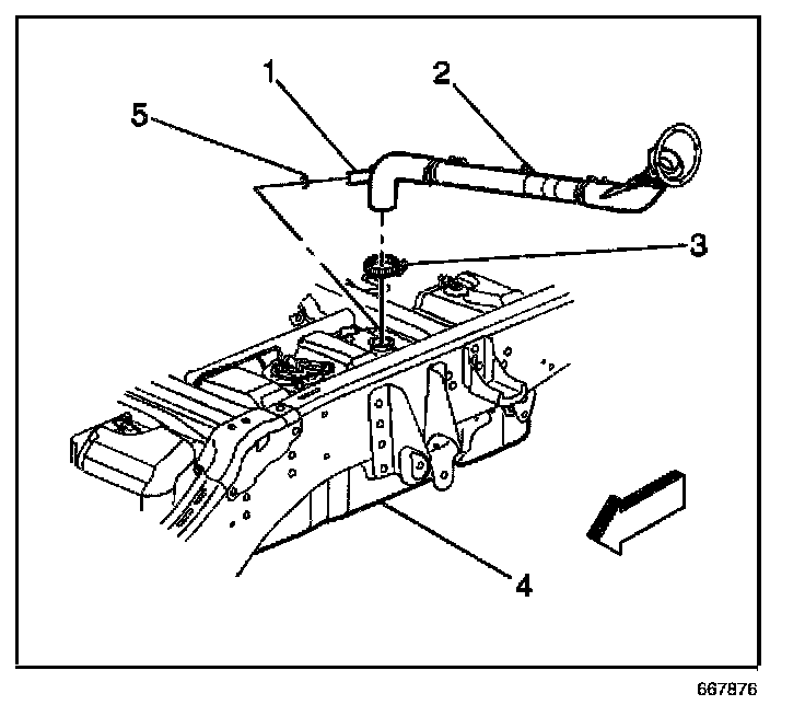
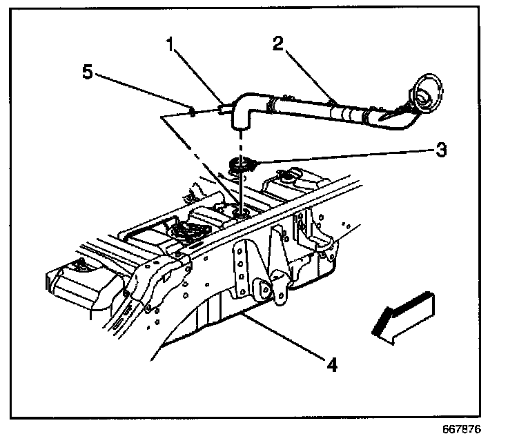
5. Disconnect the fuel fill and vent pipe (1) from the fuel tank.

6. With the aid of an assistant, support the fuel tank.
NOTE: Refer to Damage to Fuel Tank Straps Notice in Service Precautions.
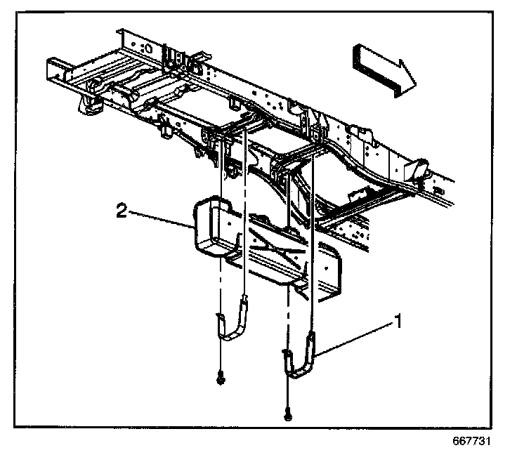
7. Remove the fuel tank strap attaching bolts (2).
8. Remove the fuel tank straps (3).
9. Carefully lower the fuel tank slightly.
10. Disconnect the fuel and evaporative emission (EVAP) pipes.
11. Disconnect the fuel sender and the fuel pressure sensor harness connectors.
12. Remove the fuel tank.
13. Place the fuel tank in a suitable work area.
14. Remove the fuel sender assembly from the fuel tank.
15. Cap the fuel and EVAP pipes in order to prevent possible fuel system contamination.
INSTALLATION PROCEDURE

1. Install the fuel sender assembly to the fuel tank. Refer to Fuel Sender Assembly Replacement.
2. Remove the caps from the fuel and EVAP pipes.
3. With the aid of an assistant, support and partially raise the fuel tank.
4. Connect the fuel sender and the fuel pressure sensor harness connectors.
5. Connect the fuel and EVAP pipes.
6. Fully raise the fuel tank.
7. Install the fuel tank straps (3).
NOTE: Refer to Fastener Notice in Service Precautions.
8. Install the fuel tank strap attaching bolts (2).
Tighten
Tighten the bolts to 40 N.m (30 lb ft).

9. Connect the fuel fill and vent pipe (1) to the fuel tank.
Tighten
Tighten the hose clamps to 2.5 N.m (22 lb in).

10. Install the fuel tank shield (2).
Tighten
Tighten the fuel tank shield to frame bolts to 18 N.m (13 lb ft)
11. Lower the vehicle.
12. Refill the fuel tank.
13. Install the fuel filler cap.
14. Connect the negative battery cable.
15. Use the following procedure in order to inspect for leaks:
15.1. Turn ON the ignition, with the engine OFF, for 2 seconds.
15.2. Turn OFF the ignition for 10 seconds.
15.3. Turn ON the ignition, with the engine OFF.
15.4. Inspect for fuel leaks.
16. Install the engine sight shield.