Dual Tanks
REMOVAL PROCEDURE
1. Drain the fuel below the level of the fuel filler hose. Refer to Fuel Tank Draining Procedure (Pickup) or Fuel Tank Draining Procedure (Utility Single Tank) or Fuel Tank Draining Procedure (Utility Dual Tank Front) or Fuel Tank Draining Procedure (Utility Dual Tank Rear).
2. Remove the fuel fill pipe housing to fuel fill pipe bolts.
3. Raise the vehicle. Refer to Lifting and Jacking the Vehicle.

4. Disconnect the fuel till pipe ground strap.

5. Disconnect the rear axle vent hose from the retainer on the fuel till pipe.
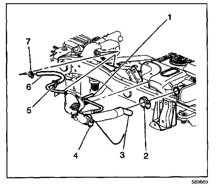
6. Loosen the fuel vent hose (3) to fill tube clamp (2)
7. Disconnect the fuel vent hose (3) from the fill tube.

8. Loosen the fuel fill hose to fuel tank clamp (2).
9. Disconnect the fuel fill hose from the fuel tank.
10. Remove the fuel fill hose assembly.
11. Cap the open end of the fuel tank.
INSTALLATION PROCEDURE

1. Uncap the fuel tank.
NOTE: Refer to Fastener Notice in Service Precautions.
2. Install the fuel till hose assembly to the fuel tank.
Tighten
Tighten the fuel fill pipe clamp (2) to 2.5 N.m (22 lb in).

3. Connect the fuel fill vent hose (3) to the fill tube.
Tighten
Tighten the vent hose clamp (2) to 2.5 N.m (22 lb in).

4. Connect the fuel fill pipe ground strap.
Tighten
Tighten the fuel fill pipe ground strap bolt to 9 N.m (80 lb in).
5. Connect the rear axle vent hose to the retainer on the fuel fill pipe.
6. Lower the vehicle.

7. Install the fuel fill pipe housing to the fuel fill pipe bolts.
Tighten
Tighten the fuel fill pipe housing to fuel fill pipe bolts to 2.3 N.m (20 lb in).
Fuel Filler Cap:

8. Refill the fuel system.
9. Install the fuel filler cap.