Operation CHARM
: Car repair manuals for everyone.
Home
>>
GMC
>>
2001
>>
C 1500 Yukon 2WD V8-5.3L VIN T
>>
Repair and Diagnosis
>>
Relays and Modules
>>
Relays and Modules - Powertrain Management
>>
Relays and Modules - Computers and Control Systems
>>
Body Control Module
>>
Diagrams
>>
Electrical Diagrams
>>
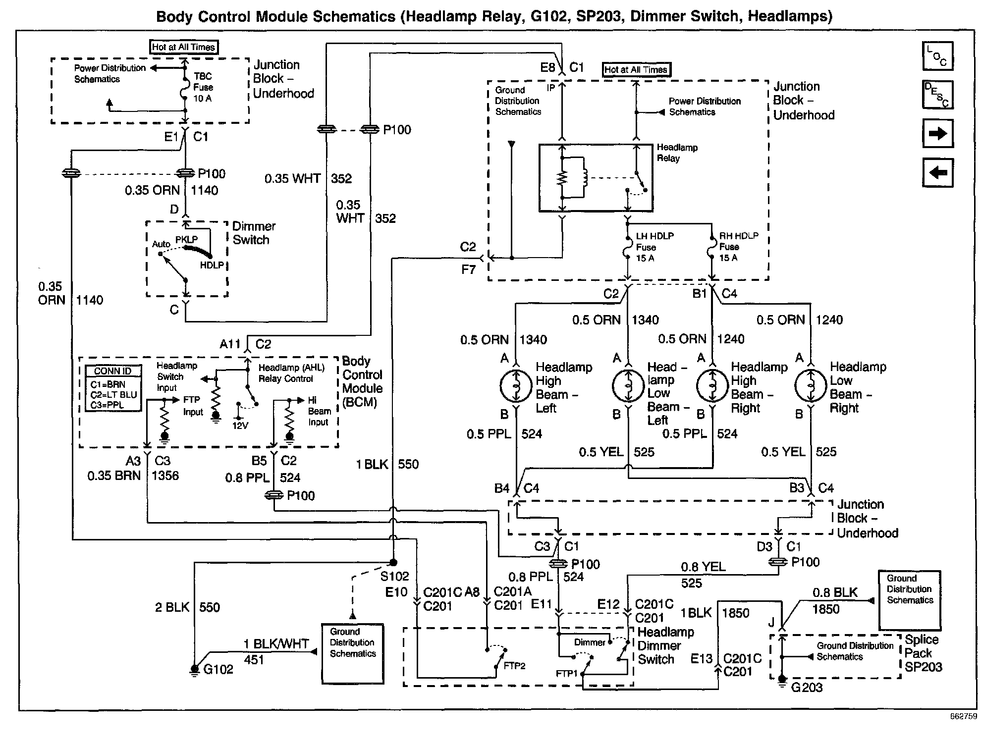
Headlamp Relay, G102, SP203, Dimmer Switch, Headlamp
Headlamp Relay, G102, SP203, Dimmer Switch, Headlamp
Body Control Module Schematics: Headlamp Relay, G102, SP203, Dimmer Switch, Headlamp: