4L60-E / 4L65-E Automatic Transmission

DTC P1810

Test 1
Test 2-8

Test 9-16
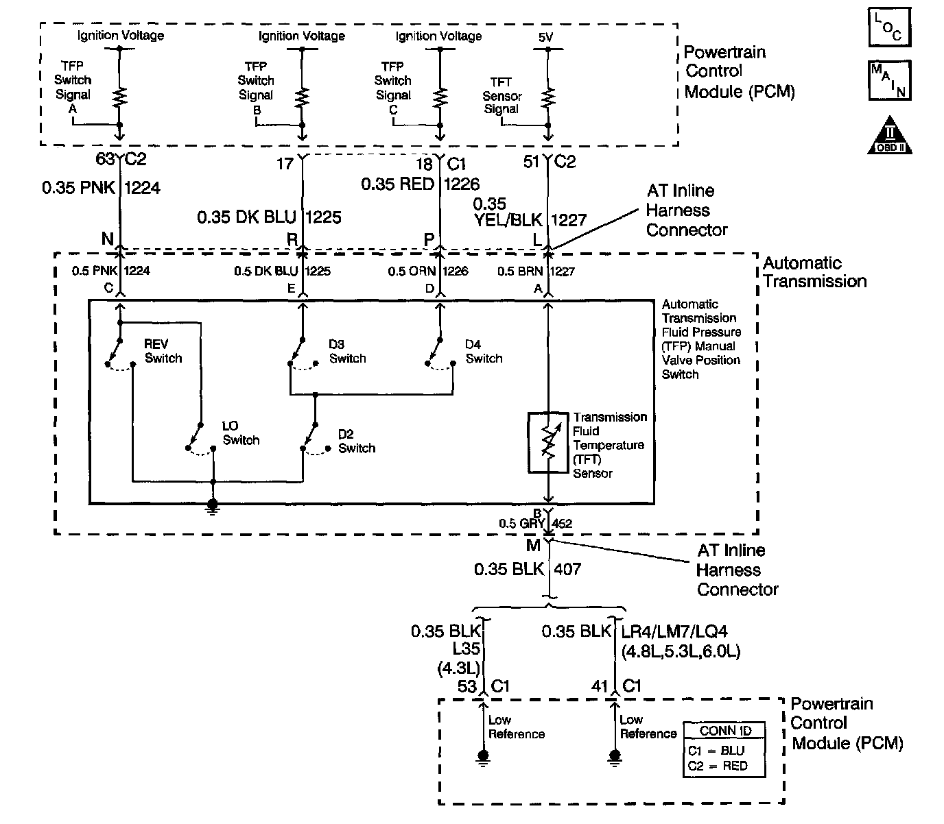
Circuit Description with 4L60-E / 4L65-E Automatic Transmission
The automatic Transmission Fluid Pressure (TFP) manual valve position switch consists of five pressure switches (two normally-closed and three normally-open), and a Transmission Fluid Temperature (TFT) sensor combined into one unit. The combined unit mounts on the valve body. The Powertrain Control Module (PCM) supplies ignition voltage for each range signal. By grounding one or more of these circuits through various combinations of the pressure switches, the PCM detects which manual valve position you select. The PCM compares the actual voltage combination of the switches to a TFP manual valve position switch combination chart stored in memory.
The TFP manual valve position switch cannot distinguish between PARK and NEUTRAL because the monitored valve body pressures are identical. With the engine OFF and the ignition switch in the ON position, the TFP manual valve position switch indicates PARK/NEUTRAL. Disconnecting the AT inline 20-way connector removes the ground potential for the three range signals to the PCM. In this case, with the engine OFF, and the ignition switch in the ON position, D2 will be indicated.
When the PCM detects an invalid state of the TFP manual valve position switch circuit by deciphering the TFP manual valve position switch inputs, then DTC P1810 sets. DTC P1810 is a type B DTC.
Conditions for Running the DTC
^ No VSS assembly DTCs P0502 or P0503.
^ The system voltage is 10-18 volts.
^ The engine speed is greater than 450 RPM for 5seconds.
^ The engine is not in fuel cutoff.
^ The engine torque is 54 - 542 Nm (40 - 400 ft. lbs.).
^ The engine vacuum is 0 - 105 kPa (0 - 15 psi).
Conditions for Setting the DTC
DTC P1810 sets if any of the following conditions occurs:
Condition 1
The PCM detects an invalid TFP manual valve position switch state for 60 seconds.
Condition 2
^ The engine speed is less than 80 RPM for 0.1 second; then the engine speed is 80-550 RPM for 0.07 second; then the engine speed is greater than 550 RPM.
^ The vehicle speed is less than 3 km/h (2 mph).
^ The PCM detects a gear range of D2, D4 or REVERSE during an engine start.
^ All conditions met for 5 seconds.
Condition 3
^ The TP angle is 10-50 percent.
^ The PCM commands fourth gear.
^ The TCC is locked ON.
^ The speed ratio is 0.6-0.75 (speed ratio is engine speed divided by transmission output speed).
^ The PCM detects a gear range of PARK or NEUTRAL when the vehicle is operating in D4.
^ All conditions met for 10 seconds.
Action Taken When the DTC Sets
^ The PCM illuminates the Malfunction Indicator Lamp (MIL) during the second consecutive trip in which the Conditions for Setting the DTC are met.
^ The PCM commands D2 line pressure.
^ The PCM commands a D4 shift pattern.
^ The PCM freezes shift adapts from being updated.
^ The PCM records the operating conditions when the Conditions for Setting the DTC are met. The PCM stores this information as Freeze Frame and Failure Records.
^ The PCM stores DTC P1810 in PCM history during the second consecutive trip in which the Conditions for Setting the DTC are met.
Conditions for Clearing the MIL/DTC
^ The PCM turns OFF the MIL during the third consecutive trip in which the diagnostic test runs and passes.
^ A scan tool can clear the MIL/DTC.
^ The PCM clears the DTC from PCM history, if the vehicle completes 40 warm-up cycles without an emission-related diagnostic fault occurring.
^ The PCM cancels the DTC default actions when the fault no longer exists and/or the ignition switch is OFF long enough in order to power down the PCM.
Diagnostic Aids
^ Refer to the Transmission Fluid Pressure (TFP) Manual Valve Position Switch Logic table for the normal range signals and the invalid combinations. On the table, LOW is 0 volts, HI is ignition voltage.
^ Sediment in the valve body may cause improper operation of the TFP manual valve position switch. If sediment intrusion is suspected, clean the valve body and replace the TFP manual valve position switch.
Test Description
The numbers below refer to the step numbers on the diagnostic table.
3. This step compares the indicated range signal to the selected manual valve position.
5. This step tests for correct voltage from the PCM to the AT inline 20-way connector.
