4L60-E / 4L65-E Automatic Transmission

DTC P0713
Test 1-7

Test 8-12
Circuit Description with 4L60-E / 4L65-E Automatic Transmission
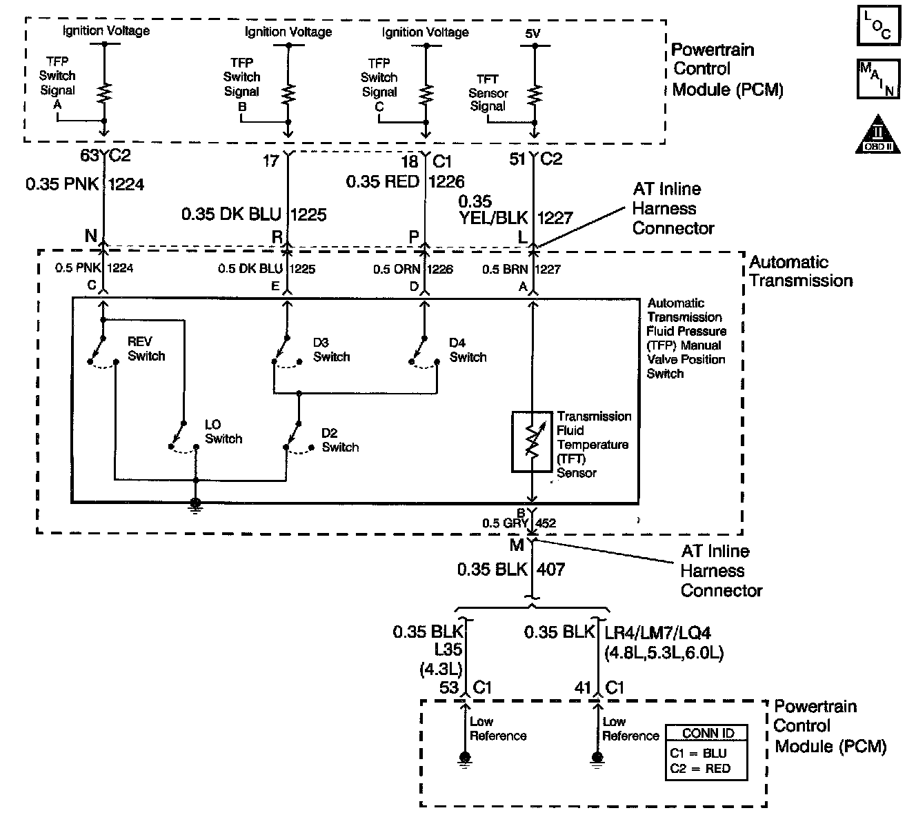
The automatic Transmission Fluid Temperature (TFT) sensor is part of the automatic Transmission Fluid Pressure (TFP) manual valve position switch. The TFT sensor is a resistor, or thermistor, which changes value based on temperature. The sensor has a negative-temperature coefficient. This means that as the temperature increases, the resistance decreases, and as the temperature decreases, the resistance increases. The Powertrain Control Module (PCM) supplies a 5-volt reference signal to the sensor on the TFT sensor signal circuit and measures the voltage drop in the circuit. When the transmission fluid is cold, the sensor resistance is high and the PCM detects high signal voltage. As the fluid temperature warms to a normal operating temperature, the resistance becomes less and the signal voltage decreases. The PCM uses this information to control shift quality and torque converter clutch apply.
When the PCM detects a continuous open or short to power in the TFT signal circuit or the TFT sensor, then DTC P0713 sets. DTC P0713 is a type C DTC.
Conditions for Running the DTC
^ The system voltage is 10-18 volts.
^ The ignition is ON. Conditions for Setting the DTC The TFT sensor indicates a signal voltage greater than 4.92 volts for 400 seconds (6.8 minutes).
Action Taken When the DTC Sets
^ The PCM does not illuminate the Malfunction Indicator Lamp (MIL).
Important: The actions listed below are in order of highest to lowest priority.
^ The PCM determines a default TFT using one of the following:
1. If any ECT DTCs P0117 or P0118 are set, then the default TFT is equal to 135°C (275°F).
2. If the ECT is 125°C (257°F) or more, then the default TFT is equal to 135°C (275°F).
3. If the engine run time is less than 300 seconds and:
^ No Intake Air Temperature (IAT) DTCs P0112 or P0113 are set and IAT is available, then the default TFT is equal to IAT.
^ Any IAT DTCs P0112 or P0113 are set or IAT is NOT available, then the default TFT is equal to 90°C (194°F).
4. If the engine run time is greater than 300 seconds and no IAT DTCs P0112 or P0113 are set and IAT is available and ECT is between 40 and 125°C (104 and 257°F) and:
^ IAT at start-up is less than 15°C (59°F), then the default TFT is equal to the ECT plus 5°C (8°F).
^ IAT at start-up is greater than 35°C (95°F), then the default TFT is equal to the ECT plus 10°C (16°F).
^ IAT at start-up is between 15 and 35°C (59 and 95°F), then the default TFT is equal to the ECT.
5. If the engine run time is greater than 300 seconds and any IAT DTCs P0112 or P0113 are set or IAT is NOT available, then the default TFT is equal to the ECT.
6. If the engine run time is greater than 300 seconds and ECT is less than 40°C (104°F) or more, then the default TFT is equal to 60°C (140°F).
^ The PCM freezes shift adapts from being updated.
^ The PCM records the operating conditions when the Conditions for Setting the DTC are met. The PCM stores this information as Failure Records.
^ The PCM stores DTC P0713 in PCM history.
Conditions for Clearing the DTC
^ A scan tool can clear the DTC.
^ The PCM clears the DTC from PCM history if the vehicle completes 40 warm-up cycles without a non-emission-related diagnostic fault occurring.
^ The PCM cancels the DTC default actions when the fault no longer exists and/or the ignition switch is OFF long enough in order to power down the PCM.
Test Description
The numbers below refer to the step numbers on the diagnostic table.
3. This step verifies a condition in the TFT sensor circuit.
4. This step simulates a TFT sensor DTC P0712. If the PCM recognizes low signal voltage (high temperature), the PCM and wiring are functioning normally.
5. This step tests the TFT sensor and Automatic Transmission (AT) wiring harness assembly.
