4L60-E / 4L65-E Automatic Transmission

DTC P0502

Test 1-8

Test 9-15
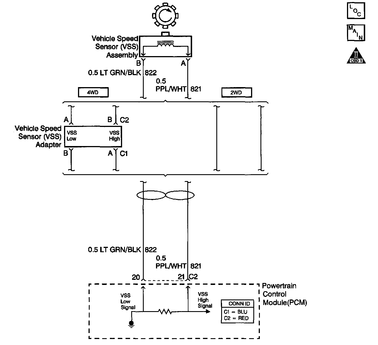
Circuit Description with 4L60-E / 4L65-E Automatic Transmission
The Vehicle Speed Sensor (VSS) assembly provides vehicle speed information to the Powertrain Control Module (PCM). The VSS assembly is a permanent magnet generator. The VSS produces an AC voltage as rotor teeth on the output shaft of the transmission (2WD) or transfer case (4WD) pass through the sensor's magnetic field. The AC voltage level and the number of pulses increase as the speed of the vehicle increases. The PCM converts the pulsing voltage to vehicle speed. The PCM uses the vehicle speed signal to determine shift timing and Torque Converter Clutch (TCC) scheduling.
When the PCM detects a low vehicle speed when there is a high engine speed in a drive gear range, then DTC P0502 sets. DTC P0502 is a type B DTC.
Conditions for Running the DTC
^ No MAP sensor DTCs P0107 or P0 08.
^ No TP sensor DTCs P0122 or P0123.
^ No TFP manual valve position switch DTC P1810.
^ The engine vacuum is 0 - 105 kPa (0 - 15 psi).
^ The engine torque is 54 - 542 Nm (40 - 400 ft. lbs.).
^ The TP angle is greater than 12 percent.
^ The engine speed is greater than 3000 RPM.
^ The transmission is not in PARK or NEUTRAL.
Conditions for Setting the DTC
The transmission output speed is less than 150 RPM for 3 seconds.
Action Taken When the DTC Sets
^ The PCM illuminates the Malfunction Indicator Lamp (MIL) during the second consecutive trip in which the Conditions for Setting the DTC are met.
^ The PCM commands second gear only.
^ The PCM commands maximum line pressure.
^ The PCM inhibits TCC engagement.
^ The PCM freezes shift adapts from being updated.
^ The PCM records the operating conditions when the Conditions for Setting the DTC are met. The PCM stores this information as Freeze Frame and Failure Records.
^ The PCM stores DTC P0502 in PCM history during the second consecutive trip in which the Conditions for Setting the DTC are met.
Conditions for Clearing the MIL/DTC:
^ The PCM turns OFF the MIL during the third consecutive trip in which the diagnostic test runs and passes.
^ A scan tool can clear the MIL/DTC.
^ The PCM clears the DTC from PCM history if tie vehicle completes 40 warm-up cycles without an emission-related diagnostic fault occurring.
^ The PCM cancels the DTC default actions when the fault no longer exists and/or the ignition, switch is OFF long enough in order to power down the PCM.
Test Description
The numbers below refer to the step numbers on the diagnostic table.
3. This step tests the VSS assembly circuit.
4. This step tests the integrity of the VSS assembly.