Air Induction Components
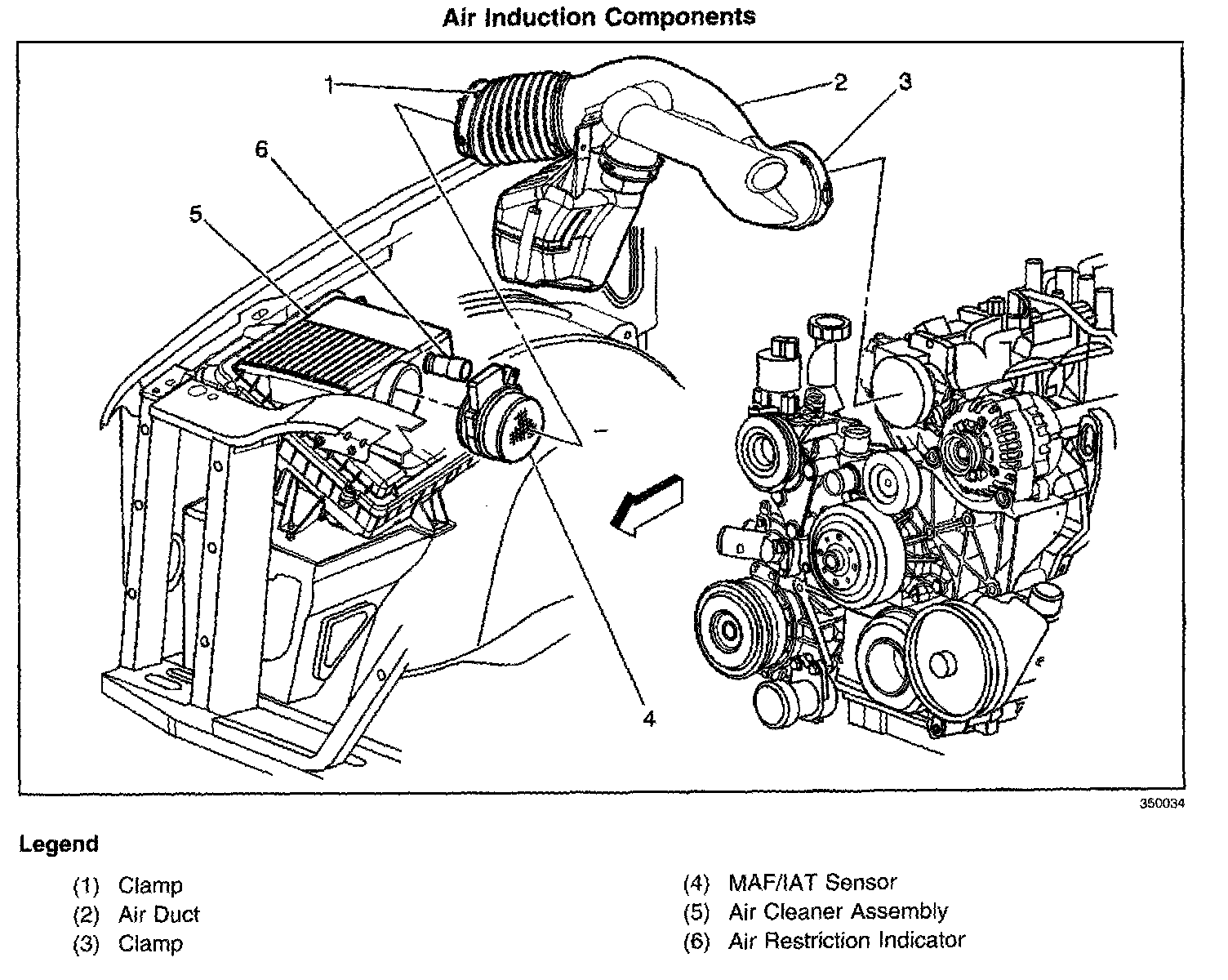
Air Induction Components:

The air cleaner assembly is remotely mounted. The air intake system draws outside air through the side of the air cleaner assembly and filter element of the forward mounted air cleaner. The air is then routed through the Mass Air Flow (MAF) sensor and then into the throttle body to the intake manifold. The air is then directed into the intake manifold runners, through the cylinder heads and into the cylinders.