Operation CHARM
: Car repair manuals for everyone.
Home
>>
Mini
>>
2006
>>
Cooper S (R53) L4-1.6L SC (W11)
>>
Repair and Diagnosis
>>
Diagrams
>>
Electrical Diagrams
>>
Drive
>>
EGS Transmission Control (EGS Transmission Control (AISIN))
>>
Controls
Controls
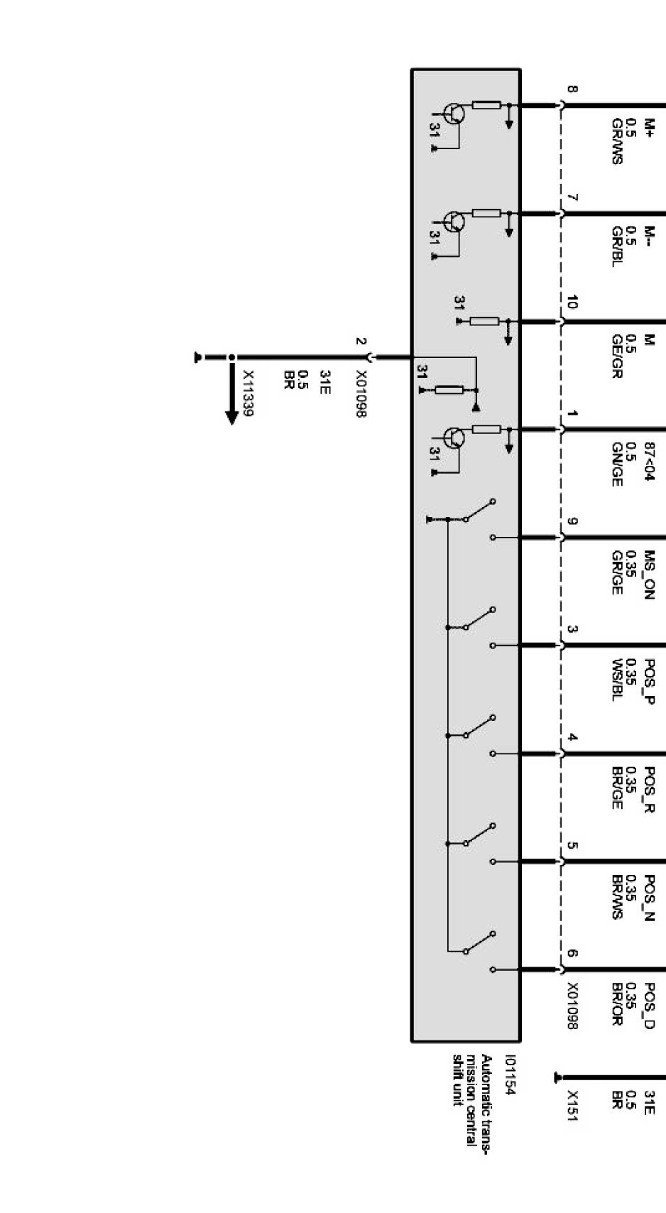
Controls Part 1:
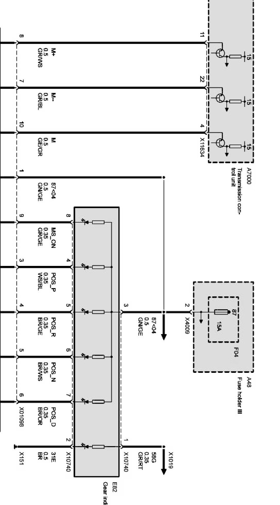
Controls Part 2:
Controls Part 3:
Controls Part 4: